Реставрация трупика ППД-40.

Тема у розділі 'Реставрація знахідок', створена користувачем Старий Похабич, 14 сер 2014.

  1. 663

    663 ✠ Moderator

    Рейтинг:
    2
    Відгуків:
    12
    Лоти
      на продажу:
    0
      продані:
    17
    Повідомлення:
    7.598
    Адреса:
    Україна.
    Пока далеко не отошёл от темы по подгонке насечек. Каждые десять полосок проверяю расстояние по концам штангелем чтоб сошлось всё ровно.
     

    Images:

    20160720_143245.jpg
  2. Цікаві лоти

    1. Железный крест 1- класса Первой Мировой войны. В хорошем состоянии. Клеймо 14 LOTH. ОРИГИНАЛ. Во вр...
      19000 грн.
    2. Нагородний (призовий) годинник російської імператорської армії. Срібний корпус (800 проба), швейцарс...
      4000 грн.
    3. Пам'ятна медаль на честь 3-х Імператорів 1888 р. Німечинна. Вага 12,30 грам. гурт гладкий, кл...
      750 грн.
    4. Железный крест 1 класса клеймо KO в прицепе все на фото попытался показать С Уважением!
      15000 грн.
    5. Полкова медаль на 275 річницю 1-го Гессенського полка (115-й піхотний Лейбгвардійский). Матеріал - а...
      825 грн.
  3. 663

    663 ✠ Moderator

    Рейтинг:
    2
    Відгуків:
    12
    Лоти
      на продажу:
    0
      продані:
    17
    Повідомлення:
    7.598
    Адреса:
    Україна.
    Удвоил линии, всё теми же надфилями. В основном использовался трёхгранный новый надфиль ( хоть чуть стёртый не сделает ровно такие мелкие линии).
    В общем я старался, работа на бис.
     

    Images:

    20160719_161958.jpg
    20160719_162001.jpg
    20160719_162107.jpg
    Otto 663, БЛК, Helmut Hesler та 6 іншим подобається це.
  4. 663

    663 ✠ Moderator

    Рейтинг:
    2
    Відгуків:
    12
    Лоти
      на продажу:
    0
      продані:
    17
    Повідомлення:
    7.598
    Адреса:
    Україна.
    Кожаная прокладка.
    Делал по факту, отжал торцом трубки форму маленького отверстия, вырезал.
    Просунул трубку через отверстие и отжал большой диаметр, вырезал по внутреннему следу.
    На финише чуть шлифанул срезы. На место установлю после воронения и смазки пробки, иначе тяжело будет снять прокладку, садится туго.
     

    Images:

    20160720_231151.jpg
    20160720_231210.jpg
    20160720_231313.jpg
    20160720_231338.jpg
    20160720_232917.jpg
    20160720_232952.jpg
    20160720_233046.jpg
    20160720_233052.jpg
    Otto 663, БЛК, ALEKS81 та 5 іншим подобається це.
  5. 663

    663 ✠ Moderator

    Рейтинг:
    2
    Відгуків:
    12
    Лоти
      на продажу:
    0
      продані:
    17
    Повідомлення:
    7.598
    Адреса:
    Україна.
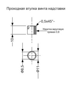
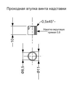
    Упорная шайба и втулки. Одна втулка в наличии, убитая но родная.
    Упорная шайба была сделана давно, только без накатки. Сделал накатку для полного комплекта.
    Короткую втулку делал из прутка 12 мм. Подогнал в размер, просверлил отверстие 8.5мм. нарезал имитацию накатки.
     

    Images:

    8114523 (2).jpg
    8114523.jpg
    8114523 (2).jpg
    20160720_140553.jpg
    20160720_140600.jpg
    20160720_142916.jpg
    20160720_143028.jpg
    20160720_143112.jpg
    20160721_190641.jpg
    20160721_190719.jpg
    20160721_191023.jpg
    Otto 663, БЛК, ALEKS81 та 5 іншим подобається це.
  6. 663

    663 ✠ Moderator

    Рейтинг:
    2
    Відгуків:
    12
    Лоти
      на продажу:
    0
      продані:
    17
    Повідомлення:
    7.598
    Адреса:
    Україна.
    Переводчик огня.
    Изучив проблему копаного ППД стало ясно что, найти переводчик копаный очень тяжело, складских просто не существует, новодельный и сам сделать могу.
    Перед работой над деталью, к чертежам для полной картины выбрал несколько фото.
     

    Images:

    8214306 (2).jpg
    DSCN0309.JPG
    DSCN0310.JPG
    DSCN0311.JPG
    DSCN0312.JPG
    IMG_2534.JPG
    Otto 663, БЛК, Okrygenec1942 та 3 іншим подобається це.
  7. 663

    663 ✠ Moderator

    Рейтинг:
    2
    Відгуків:
    12
    Лоти
      на продажу:
    0
      продані:
    17
    Повідомлення:
    7.598
    Адреса:
    Україна.
    Взял первую подходящую полосу, болгаркой вырезал грубую заготовку детали. Запас на разные плоскости около 0,5-1 мм.
     

    Images:

    20160721_205945.jpg
    20160721_205913.jpg
    20160721_205931.jpg
    20160722_183426.jpg
    20160722_183430.jpg
    Otto 663, БЛК, RIHARD 77 та 2 іншим подобається це.
  8. 663

    663 ✠ Moderator

    Рейтинг:
    2
    Відгуків:
    12
    Лоти
      на продажу:
    0
      продані:
    17
    Повідомлення:
    7.598
    Адреса:
    Україна.
    Дальше снял лишний металл на самом флажке. Для начала дремелем и в точный размер подтянул надфилями.
     

    Images:

    20160722_183443.jpg
    20160722_185813.jpg
    20160722_185816.jpg
    Otto 663, БЛК, ALEKS81 та 2 іншим подобається це.
  9. 663

    663 ✠ Moderator

    Рейтинг:
    2
    Відгуків:
    12
    Лоти
      на продажу:
    0
      продані:
    17
    Повідомлення:
    7.598
    Адреса:
    Україна.
    Проточил для точности стойку, точил напильником на средних оборотах зажав деталь кончиком в патрон дрели. В дальнейшем осталось только проточить надфилем не проточенную часть.
     

    Images:

    20160722_185847.jpg
    20160722_185855.jpg
    20160722_185902.jpg
    20160722_190144.jpg
    Otto 663, БЛК, ALEKS81 та 2 іншим подобається це.
  10. 663

    663 ✠ Moderator

    Рейтинг:
    2
    Відгуків:
    12
    Лоти
      на продажу:
    0
      продані:
    17
    Повідомлення:
    7.598
    Адреса:
    Україна.
    Надфилями довёл заготовку к чистым её формам. Осталось нарезать пазы и набить цифры.
     

    Images:

    20160722_194455.jpg
    20160722_194517.jpg
    20160722_194637.jpg
    20160722_202047.jpg
    Otto 663, БЛК, ALEKS81 та 2 іншим подобається це.
  11. 663

    663 ✠ Moderator

    Рейтинг:
    2
    Відгуків:
    12
    Лоти
      на продажу:
    0
      продані:
    17
    Повідомлення:
    7.598
    Адреса:
    Україна.
    Продолжил работу. По быстрому в бруске вырезал пазы с двух сторон, вставил заготовку и надфилем вырезал первый элемент согласно чертежа.
     

    Images:

    20160722_204852.jpg
    20160722_204857.jpg
    20160722_204905.jpg
    Otto 663, БЛК, RIHARD 77 та 3 іншим подобається це.
  12. 663

    663 ✠ Moderator

    Рейтинг:
    2
    Відгуків:
    12
    Лоти
      на продажу:
    0
      продані:
    17
    Повідомлення:
    7.598
    Адреса:
    Україна.
    Следующий элемент делал в два этапа. Первый этап, прошёлся по кругу сняв 1 мм в размер.
     

    Images:

    20160722_214947.jpg
    20160722_214959.jpg
    Otto 663, БЛК, Andrej.An86 та 2 іншим подобається це.
  13. 663

    663 ✠ Moderator

    Рейтинг:
    2
    Відгуків:
    12
    Лоти
      на продажу:
    0
      продані:
    17
    Повідомлення:
    7.598
    Адреса:
    Україна.
    Следующий этап, спилил по сторонам в плоскости, всё в нужный размер.
     

    Images:

    20160722_220832.jpg
    20160722_220721.jpg
    20160722_220812.jpg
    Otto 663, БЛК, Andrej.An86 та 2 іншим подобається це.
  14. 663

    663 ✠ Moderator

    Рейтинг:
    2
    Відгуків:
    12
    Лоти
      на продажу:
    0
      продані:
    17
    Повідомлення:
    7.598
    Адреса:
    Україна.
    Следующий элемент. Вставил заготовку в пазы на бруске и выпилил предпоследний элемент. Функциональность детали установлена.
     

    Images:

    20160722_222253.jpg
    20160722_222259.jpg
    20160722_222318.jpg
    20160722_222324.jpg
    Otto 663, БЛК, Andrej.An86 та 2 іншим подобається це.
  15. 663

    663 ✠ Moderator

    Рейтинг:
    2
    Відгуків:
    12
    Лоти
      на продажу:
    0
      продані:
    17
    Повідомлення:
    7.598
    Адреса:
    Україна.
    Последний элемент переключателя,гравировка цифр. Размер согласно схемы 3.5 мм.
    Гравировку делал дремелем под острым углом, получилось с второй попытки. Первый рас сделал наклон и цифры получились с широкими линиями (не то) переделал. На жаль клейм 3.5 мм в наличии нет и пришлось выкручиваться.
     

    Images:

    20160723_153852.jpg
    20160723_153908.jpg
    20160723_153803.jpg
    20160723_143912.jpg
    Otto 663, БЛК, RIHARD 77 та 3 іншим подобається це.
  16. 663

    663 ✠ Moderator

    Рейтинг:
    2
    Відгуків:
    12
    Лоти
      на продажу:
    0
      продані:
    17
    Повідомлення:
    7.598
    Адреса:
    Україна.
    Деталь на бис. Старался.
    Описано детально, для начинающих которым и я был. В поисках деталей месяцы ждал, находил и оказывалось цена кусалась, а оказывается всё просто при желании. Минимум инструмента и деталь готова.
     

    Images:

    20160723_144139.jpg
    20160723_144357.jpg
    20160723_144403.jpg
    20160723_144432.jpg
    20160723_144438.jpg
    20160723_144453.jpg
    20160723_144502.jpg
    restler09, Otto 663, БЛК та 5 іншим подобається це.
  17. 663

    663 ✠ Moderator

    Рейтинг:
    2
    Відгуків:
    12
    Лоти
      на продажу:
    0
      продані:
    17
    Повідомлення:
    7.598
    Адреса:
    Україна.
    В ходе работы над ППД нашёл интересный факт. Схема ППД 38 и ППД 40, отличие в кожаной прокладке. На самом деле такая разница или опечатка ?. На одной схеме прокладка упирается в раму а на второй диаметр её меньше и пробка упирается в раму.
     

    Images:

    8093425 (1).jpg
    589309.jpg
  18. 663

    663 ✠ Moderator

    Рейтинг:
    2
    Відгуків:
    12
    Лоти
      на продажу:
    0
      продані:
    17
    Повідомлення:
    7.598
    Адреса:
    Україна.
    Решил заняться прицельной планкой, верней мастерить с нуля. Схемы и фото уже кое какие подобрал а вот этот размер найти не могу. Может кто скажет ?.
     

    Images:

    DSC07253.JPG
    Otto 663, БЛК та Старий Похабич подобається це.
  19. 663

    663 ✠ Moderator

    Рейтинг:
    2
    Відгуків:
    12
    Лоти
      на продажу:
    0
      продані:
    17
    Повідомлення:
    7.598
    Адреса:
    Україна.
    Если есть у кого ответ на предыдущие два поста, прошу отозваться.
    Не смотря что есть непонятки с отверстием под ось, всё таки решил мастерить прицельную планку. При детальном изучении планки оказалось что их есть в двух основных вариантах. На всякие мелкие детали внимания на обращая.
    И так.
     
  20. 663

    663 ✠ Moderator

    Рейтинг:
    2
    Відгуків:
    12
    Лоти
      на продажу:
    0
      продані:
    17
    Повідомлення:
    7.598
    Адреса:
    Україна.
    Вариант один, с закруглёнными сторонами бегунка.
     

    Images:

    3274603.jpg
    4512796.jpg
    4533783.jpg
    Otto 663 подобається це.
  21. 663

    663 ✠ Moderator

    Рейтинг:
    2
    Відгуків:
    12
    Лоти
      на продажу:
    0
      продані:
    17
    Повідомлення:
    7.598
    Адреса:
    Україна.
    Вариант два, с прямыми сторонами бегунка.
     

    Images:

    Изображение 008.jpg
    1609.JPG
    1962953.jpg
    DSC07251.JPG
    DSC07256.JPG
    Otto 663 подобається це.
  22. 663

    663 ✠ Moderator

    Рейтинг:
    2
    Відгуків:
    12
    Лоти
      на продажу:
    0
      продані:
    17
    Повідомлення:
    7.598
    Адреса:
    Україна.
    Лично я выбрал вариант два. Честно говоря только по той причине что нашёл несколько фото с копаными прицелами. У меня ММГ ППД тоже коп.
    В работе буду использовать чертежи из темы. Далее всё детально и поэтапно.
     

    Images:

    чертеж_0002.jpg
    чертеж_0003.jpg
    Otto 663 та БЛК подобається це.
  23. 663

    663 ✠ Moderator

    Рейтинг:
    2
    Відгуків:
    12
    Лоти
      на продажу:
    0
      продані:
    17
    Повідомлення:
    7.598
    Адреса:
    Україна.
    Взял первый попавшийся кусок металла и вырезал грубую заготовку. Всё делалось только болгаркой.
     

    Images:

    20160723_162024.jpg
    20160723_163926.jpg
    20160723_172652.jpg
    20160723_172659.jpg
    Otto 663, БЛК, Andrej.An86 та ще 1-му подобається це.
  24. 663

    663 ✠ Moderator

    Рейтинг:
    2
    Відгуків:
    12
    Лоти
      на продажу:
    0
      продані:
    17
    Повідомлення:
    7.598
    Адреса:
    Україна.
    Следующий этап, более точная подгонка болгаркой.
     

    Images:

    20160723_180522.jpg
    20160723_192448.jpg
    20160723_192625.jpg
    Otto 663, БЛК, RIHARD 77 та ще 1-му подобається це.
  25. 663

    663 ✠ Moderator

    Рейтинг:
    2
    Відгуків:
    12
    Лоти
      на продажу:
    0
      продані:
    17
    Повідомлення:
    7.598
    Адреса:
    Україна.
    Более точная подгонка напильником и надфилями. Подогнано с запасом не более 0,3 мм. Практически оставлен запас только на полировку.
     

    Images:

    20160723_220244.jpg
    20160723_220251.jpg
    20160723_220304.jpg
    Otto 663, БЛК, Старий Похабич та ще 1-му подобається це.
  26. 663

    663 ✠ Moderator

    Рейтинг:
    2
    Відгуків:
    12
    Лоти
      на продажу:
    0
      продані:
    17
    Повідомлення:
    7.598
    Адреса:
    Україна.
    Выборка. Делал дремелем с алмазной насадкой.
     

    Images:

    20160725_215713.jpg
    20160725_215657.jpg
    Otto 663, БЛК, Старий Похабич та 3 іншим подобається це.