М35

Тема у розділі 'Реставрація знахідок', створена користувачем Staspirat, 12 лип 2020.

  1. Staspirat

    Staspirat Stabsfeldwebel

    Повідомлення:
    1.095
    Адреса:
    Минск, Беларусь
    Всем привет, в году 2005 будучи подростком нашёл на краю поля касон, как позже выяснил М35. возможно эта находка и подтолкнула меня на дальнейшие изыскания, уж не помню. загорелся я тогда её сделать, начал и чё-то закинул это дело. а сейчас наткнувшись на неё решил-таки доделать сувенир на полку. может быть, если бы нетронутый коростой вальц я бы и не подумал об этом, но что вышло из этого, то вышло... наружная сфера мне нравится, нутрянка ну так-сяк, учитывая что хочу поставить подшлем и нанести на него повреждения как на горшке думаю сайдзе. осталось покрасить, но это надо напроситься к кому-то с компрессором. я уже научился создавать нечто похожее по матовости в своей теме про яйца https://reibert.info/threads/restavracija-m-39.920279/#post-13404575
    но с каской красить губкой думаю не варик...
     

    Images:

    001.JPG
    002.JPG
    003.JPG
    004.JPG
    photo_2020-06-27_11-21-58 (2).jpg
    photo_2020-06-27_11-21-58.jpg
    photo_2020-07-12_22-31-28.jpg
    photo_2020-07-12_22-31-29.jpg
    photo_2020-07-12_22-31-30 (2).jpg
    photo_2020-07-12_22-31-30.jpg
    photo_2020-07-12_22-31-31.jpg
    photo_2020-07-12_22-31-36 (2).jpg
    photo_2020-07-12_22-31-36 (3).jpg
    photo_2020-07-12_22-31-36.jpg
    Лера ОУН-УПА, German Stein, 663 та ще 1-му подобається це.
  2. Цікаві лоти

    1. Немецкий язык. хорошее состояние все страницы.
      960 грн.
    2. Оригінал. 1934 року видання. Календар на наступний,1935рік. Формат 23см.Х 15 см. 124 сторінки ( разо...
      265 грн.
    3. Свадебная "Mein Kampf". 1938 р. -------- Сохран - в идеале. В футляре. Свадебное подарочно...
      17500 грн.
    4. Вашему вниманию мега редкий предмет чудом дошедший до наших дней, агитационный плакат РОА. Этот плак...
      25000 грн.
    5. Пісняр 7-го армійського корпусу Вермахту. Liederbuch des VII. Korps. Видавництво Generalkommando VI...
      1900 грн.
  3. Staspirat

    Staspirat Stabsfeldwebel

    Повідомлення:
    1.095
    Адреса:
    Минск, Беларусь
    да, вентиляцию заменил на новодел, а геометрию придал с помощью клеевого раствора для плитки, натянул пакет в горшок, залил туда раствор и получил форму, а дальше эпоксидка бинт и прочее, сначала думал пробоины заделать, но думаю что это лишнее
     

    Images:

    001.JPG
    002.JPG
    011.JPG
    012.JPG
    013.JPG
    014.JPG
    Artyr, Лера ОУН-УПА, 663 та 2 іншим подобається це.
  4. Поліщук

    Поліщук General-major

    Рейтинг:
    3
    Відгуків:
    37
    Лоти
      на продажу:
    0
      продані:
    67
    На полку сойдёт) размер каски какой?
     
    bolevard, Рост76 та Staspirat подобається це.
  5. Staspirat

    Staspirat Stabsfeldwebel

    Повідомлення:
    1.095
    Адреса:
    Минск, Беларусь
    64
     
    Поліщук та Рост76 подобається це.
  6. Staspirat

    Staspirat Stabsfeldwebel

    Повідомлення:
    1.095
    Адреса:
    Минск, Беларусь
    всем привет. вот после, наверное, недели попыток заматовать краску с помощью детской присыпки я вроде добился годного результата. откровенно говоря не ожидал что получится так покрасить с помощью губки, но лично я остался доволен результатом
     

    Images:

    photo_2020-08-07_11-01-06 (2).jpg
    photo_2020-08-07_11-01-06 (3).jpg
    photo_2020-08-07_11-01-06.jpg
    photo_2020-08-07_11-01-07 (2).jpg
    photo_2020-08-07_11-01-07.jpg
    egoiste та peter lavrov подобається це.
  7. peter lavrov

    peter lavrov Oberfeldwebel

    Рейтинг:
    3
    Відгуків:
    32
    Лоти
      на продажу:
    1
      продані:
    65
    Повідомлення:
    374
    Адреса:
    г Барановка
    А зачем 35тку матовать? они ж глянцевые все вроде были.
     
    Staspirat подобається це.
  8. Staspirat

    Staspirat Stabsfeldwebel

    Повідомлення:
    1.095
    Адреса:
    Минск, Беларусь
    Как по-мне на фото вроде матовали...
     
    Останнє редагування: 7 сер 2020
    peter lavrov подобається це.
  9. peter lavrov

    peter lavrov Oberfeldwebel

    Рейтинг:
    3
    Відгуків:
    32
    Лоти
      на продажу:
    1
      продані:
    65
    Повідомлення:
    374
    Адреса:
    г Барановка
    То уже их время заматовало и годы эксплуатации.
     
    bolevard подобається це.
  10. egoiste

    egoiste Stabsfeldwebel

    Повідомлення:
    559
    Адреса:
    Одеса, Україна
    Глянцевих не було. Були сатин, полумат, мат, якщо я не помиляюся.
    Навпаки, після використання матова стає полуматова.
     
    Staspirat та Amadeus подобається це.
  11. Staspirat

    Staspirat Stabsfeldwebel

    Повідомлення:
    1.095
    Адреса:
    Минск, Беларусь
    Выбачайте за первые фото, попробовал сфоткать максимально детально. добавлю фото того чем матовал, ещё раз благодарен egoiste за дельные советы!
     

    Images:

    photo_2020-08-08_13-53-15.jpg
    photo_2020-08-08_13-53-16 (2).jpg
    photo_2020-08-08_13-53-16 (3).jpg
    photo_2020-08-08_13-53-16 (4).jpg
    photo_2020-08-08_13-53-16 (5).jpg
    photo_2020-08-08_13-53-16.jpg
    photo_2020-08-07_14-58-22.jpg
    Лера ОУН-УПА та egoiste подобається це.
  12. Staspirat

    Staspirat Stabsfeldwebel

    Повідомлення:
    1.095
    Адреса:
    Минск, Беларусь
    мне ещё штампы как ты научиться мутить и ваще зеер гут. но у меня так - нахлынет энтузиазм и я работаю, нет - не работаю. я изнутри 5 раз её перекрашивал пока добился того чего хотел, снаружи за 3. но я так понял что 2 слоя надо минимум по грунту лупить что бы всё в ажуре было .
     
  13. F.O.Mozer

    F.O.Mozer Stabsfeldwebel

    Повідомлення:
    1.415
    неплохо,но снаружи окрас грубоват как для заводского,скорее на перекрас похоже,и цвет больше для 40-ки и 42-й.Вентель тоже не той формы,и отверстие малое.Пробоину надо подстарить,обычно вокруг нее краска отлетает.
     
    Staspirat подобається це.
  14. Staspirat

    Staspirat Stabsfeldwebel

    Повідомлення:
    1.095
    Адреса:
    Минск, Беларусь
    Да я буду пробоины зачищать после того как декали налеплю
     
    F.O.Mozer подобається це.
  15. Staspirat

    Staspirat Stabsfeldwebel

    Повідомлення:
    1.095
    Адреса:
    Минск, Беларусь
    а что касается люверсов мне точили их по чертежам с форума юрген...
    я по каскам вообще не спец. это мой первый колпак, слепленный откровенно говоря из какахи, но вроде люверсы сходятся... а по краске типо яблоко на 35 шли(посветлее)?
     

    Images:

    1_16.gif
    ventil35_209.jpg
  16. Staspirat

    Staspirat Stabsfeldwebel

    Повідомлення:
    1.095
    Адреса:
    Минск, Беларусь
    хотя должен отметить что это не первое замечание в их сорону
     
  17. bayan

    bayan Leutnant

    Рейтинг:
    1
    Відгуків:
    4
    Лоти
      на продажу:
    0
      продані:
    8
    Повідомлення:
    2.945
    Адреса:
    Одесса
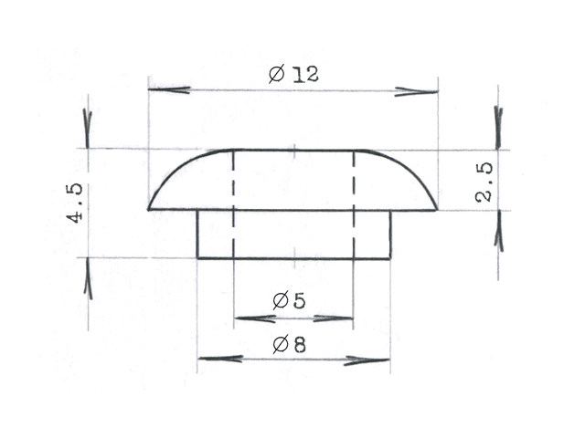
    Выточили точно не по чертежу...обратите внимание, на чертеже нет вот этой площадки
    Безымянный.png
     
    Staspirat подобається це.
  18. Staspirat

    Staspirat Stabsfeldwebel

    Повідомлення:
    1.095
    Адреса:
    Минск, Беларусь
    факиные слесаря
     
  19. Staspirat

    Staspirat Stabsfeldwebel

    Повідомлення:
    1.095
    Адреса:
    Минск, Беларусь
    все, дождался декалей и закончил свой дебют, немного подфуфлил пробоины и на этом поставлю ее на полку...
     

    Images:

    photo_2020-08-12_10-36-43.jpg
    photo_2020-08-12_10-36-56 (2).jpg
    photo_2020-08-12_10-36-56.jpg
    photo_2020-08-12_10-58-21.jpg
    photo_2020-08-12_10-58-22.jpg
    peter lavrov подобається це.
  20. peter lavrov

    peter lavrov Oberfeldwebel

    Рейтинг:
    3
    Відгуків:
    32
    Лоти
      на продажу:
    1
      продані:
    65
    Повідомлення:
    374
    Адреса:
    г Барановка
    Позже когда она вам поднадоест, советую шлифонуть ее еще раз мелкой наждачкой и перекрасить. Будет лучше.
     
    alex-kv та Staspirat подобається це.
  21. Staspirat

    Staspirat Stabsfeldwebel

    Повідомлення:
    1.095
    Адреса:
    Минск, Беларусь
    типо сделать фронтовой перекрас? мне нравится наоборот как получилось...
     
  22. 663

    663 ✠ Moderator

    Рейтинг:
    2
    Відгуків:
    12
    Лоти
      на продажу:
    0
      продані:
    17
    Повідомлення:
    7.598
    Адреса:
    Україна.
    У вас по суті і получився фронтовий перекрас. Лише потрібно було перед останнім шаром фарби поставити декалі. Згодом можна було їх обвести та залишити видимими або зафарбувати.
     
    КАМ1996 та Staspirat подобається це.
  23. Staspirat

    Staspirat Stabsfeldwebel

    Повідомлення:
    1.095
    Адреса:
    Минск, Беларусь
    толково, можно и вправду будет нанести слой ещё один
     
    663 подобається це.
  24. bolevard

    bolevard Stabsfeldwebel

    Рейтинг:
    4
    Відгуків:
    132
    Лоти
      на продажу:
    20
      продані:
    242
    Повідомлення:
    3.484
    Адреса:
    Украина
    смотря под что и для чего
     
    Staspirat подобається це.