Гвинтівка Бердана №2 (драгунка).

Тема у розділі 'Реставрація знахідок', створена користувачем 663, 22 січ 2018.

  1. 663

    663 ✠ Moderator

    Рейтинг:
    2
    Відгуків:
    12
    Лоти
      на продажу:
    0
      продані:
    17
    Повідомлення:
    7.593
    Адреса:
    Україна.
    Пружини на біс.
     

    Images:

    20180127_170546.jpg
    20180127_170552.jpg
    20180127_170949.jpg
    20180127_170958.jpg
    20180127_171017.jpg
    20180127_171051.jpg
    Jawist, Rudolf Ritter, Andrej.An86 та 8 іншим подобається це.
  2. Цікаві лоти

    1. Клинок штыка однолезвийный, с долом с обеих сторон. Рукоять образована двумя деревянными щечками, ск...
      7399 грн.
    2. Тесак унтер-офицерский, DRK. Немецкий Красный Крест. ---------- Полное название : Hauer M38 für Mann...
      70000 грн.
    3. Нож HitlerJugend. Клеймо - RZM . ОРИГИНАЛ. Период производства 1940-1945 год. Клинок не чищен, в па...
      36000 грн.
    4. Штык k98. Парник. 1938 г. ----------- Номер « 9310 l». F.HERDER AS, Solingen Подвес Wehrmacht, для ш...
      17000 грн.
    5. Штык СВТ-38, укороченный. Общая длина 32,5 см, клинок 20,5 см, ширина клинка у гарды 26 мм, толщина...
      1000 грн.
  3. 663

    663 ✠ Moderator

    Рейтинг:
    2
    Відгуків:
    12
    Лоти
      на продажу:
    0
      продані:
    17
    Повідомлення:
    7.593
    Адреса:
    Україна.
    Може у кого є інформація по цих пружинах. Пружина спускового гачка та пружина шептала. Якщо нема готової схеми тоя намалюю, ви лише проставте розміри. Пружини піхотки та драгунки думаю ідентичі.
    Я звичайно і сам інформацію в мережі шукаю, але поки що безрезультатно.
     

    Images:

    75186541.png
    Jawist подобається це.
  4. 663

    663 ✠ Moderator

    Рейтинг:
    2
    Відгуків:
    12
    Лоти
      на продажу:
    0
      продані:
    17
    Повідомлення:
    7.593
    Адреса:
    Україна.
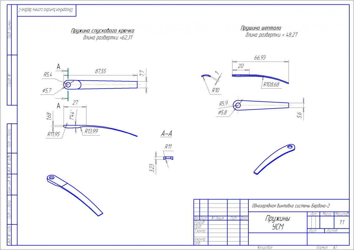
    Знайшлася схема пружин. Ще пару фото для їх вигляду. Як видно з світлин, кінчики інколи підгиналися, так думаю для плавності спуску.
    В даний момент ведуться пошуки хорошого матеріалу для їх виготовлення.
     

    Images:

    PRUGINY_USM.jpg
    PB290990.JPG
    PB290991.JPG
    PB290993.JPG
    74683697 (1).jpg
    74683697.jpg
    74684334 (1).jpg
    74684334.jpg
    Jawist, RIHARD 77, Amadeus та 7 іншим подобається це.
  5. Helmut Hesler

    Helmut Hesler Leutnant

    Повідомлення:
    1.198
    Адреса:
    LITHUANIA
    Я таки аль похожи робил з палотна пилы по дереву. К пртмеру нажоука чи гатер.
     
    RIHARD 77 та 663 подобається це.
  6. 663

    663 ✠ Moderator

    Рейтинг:
    2
    Відгуків:
    12
    Лоти
      на продажу:
    0
      продані:
    17
    Повідомлення:
    7.593
    Адреса:
    Україна.
    Для тонкої пружини матеріал вже знайдено, по матеріалу на більшу пружину ще ведуться пошуки. Теж використовую полотно з ножовок по дереву.
     
    ГеннадийВ, RIHARD 77 та БЛК подобається це.
  7. Helmut Hesler

    Helmut Hesler Leutnant

    Повідомлення:
    1.198
    Адреса:
    LITHUANIA
    Те пилы что на пилораме (гатер) имеют 2,5 мм.
     
    RIHARD 77 та 663 подобається це.
  8. 663

    663 ✠ Moderator

    Рейтинг:
    2
    Відгуків:
    12
    Лоти
      на продажу:
    0
      продані:
    17
    Повідомлення:
    7.593
    Адреса:
    Україна.
    Усім привіт. Знайшовся матеріал для роботи.
    Пружина шептала (мала)-остатки ножівки по дереву, товщина 1мм.
    Пружина спускового гачка (велика)- лезо від ножниць садовніка, товщина 4мм, лишнє шліфану.
     

    Images:

    20180202_104030.jpg
    ALEKS81, RIHARD 77, ГеннадийВ та ще 1-му подобається це.
  9. 663

    663 ✠ Moderator

    Рейтинг:
    2
    Відгуків:
    12
    Лоти
      на продажу:
    0
      продані:
    17
    Повідомлення:
    7.593
    Адреса:
    Україна.
    Пружина шептала.
    Вирізав заготовку з малим запасом.
     

    Images:

    20180202_104042.jpg
    20180202_104542.jpg
    ALEKS81, RIHARD 77, ГеннадийВ та ще 1-му подобається це.
  10. 663

    663 ✠ Moderator

    Рейтинг:
    2
    Відгуків:
    12
    Лоти
      на продажу:
    0
      продані:
    17
    Повідомлення:
    7.593
    Адреса:
    Україна.
    Загин заготовки в потрібну форму.
    Для початку виготовив примітивні приспособи для загину пластини.
    В підручній пластині вирізав жолобок болгаркою потрібної форми, знайшов підходящий кругляк, приспособи готові. Все робилося як буть, річ одноразова та дизайн не важний.
    Положив пластинку, накрив кругляком та добряче дав молотком з верху, пару рас. Форма готова.
     

    Images:

    20180202_105042.jpg
    20180202_105055.jpg
    20180202_105103.jpg
    20180202_105113.jpg
    20180202_105125.jpg
    20180202_105148.jpg
    Jawist, ALEKS81, RIHARD 77 та 2 іншим подобається це.
  11. 663

    663 ✠ Moderator

    Рейтинг:
    2
    Відгуків:
    12
    Лоти
      на продажу:
    0
      продані:
    17
    Повідомлення:
    7.593
    Адреса:
    Україна.
    Просверлів отвір під кріплення 5.5 мм. В даний момент це за малий отвір, все робилося з запасом на похибку. В сталі не так легко просверліти точно отвір, краще перестрахуватися. Сверлів в товстих гумових рукавицях щоб не дісталося пальцям.
    Вся подальша робота буде вестися відносно цього отвору.
     

    Images:

    20180202_110733.jpg
    ALEKS81, RIHARD 77, ГеннадийВ та ще 1-му подобається це.
  12. 663

    663 ✠ Moderator

    Рейтинг:
    2
    Відгуків:
    12
    Лоти
      на продажу:
    0
      продані:
    17
    Повідомлення:
    7.593
    Адреса:
    Україна.
    Зробив розмітку пружини. Почав з того що відміряв 20мм, від того і відходив. Наніс решти ліній. Це по схемі.
     

    Images:

    20180202_112132.jpg
    20180202_112159.jpg
    20180202_112219.jpg
    20180202_112225.jpg
    Jawist, ALEKS81, RIHARD 77 та 2 іншим подобається це.
  13. 663

    663 ✠ Moderator

    Рейтинг:
    2
    Відгуків:
    12
    Лоти
      на продажу:
    0
      продані:
    17
    Повідомлення:
    7.593
    Адреса:
    Україна.
    Вирізав по лініях заготовку. По схемі.
     

    Images:

    20180202_113101.jpg
    20180202_113116.jpg
    ALEKS81, RIHARD 77, ГеннадийВ та ще 1-му подобається це.
  14. 663

    663 ✠ Moderator

    Рейтинг:
    2
    Відгуків:
    12
    Лоти
      на продажу:
    0
      продані:
    17
    Повідомлення:
    7.593
    Адреса:
    Україна.
    Продовжив роботу вже по світлинах. Як видно форма там інша. Заготовка готова, далі лише підгонка надфілями та шліфовка форм. Шліфовка та підгонка пружини буде одночасна з пружиною спускового гачка.
     

    Images:

    20180202_113804.jpg
    20180202_113814.jpg
    20180202_113820.jpg
    Jawist, ALEKS81, RIHARD 77 та 2 іншим подобається це.
  15. 663

    663 ✠ Moderator

    Рейтинг:
    2
    Відгуків:
    12
    Лоти
      на продажу:
    0
      продані:
    17
    Повідомлення:
    7.593
    Адреса:
    Україна.
    Пружина спускового гачка.
    Розмітив, вирізав заготовку та просверлів отвір під кріплення чуть меньшого діаметру.
    Ножниці працюють. Як сказав сусід, виглядять модерно.
     

    Images:

    20180202_104102.jpg
    20180202_105312.jpg
    20180202_110758.jpg
    20180202_104614.jpg
    Jawist, ALEKS81, RIHARD 77 та 2 іншим подобається це.
  16. 663

    663 ✠ Moderator

    Рейтинг:
    2
    Відгуків:
    12
    Лоти
      на продажу:
    0
      продані:
    17
    Повідомлення:
    7.593
    Адреса:
    Україна.
    Розмітив, вирізав грубу заготовку.
     

    Images:

    20180202_112251.jpg
    20180202_112303.jpg
    20180202_112318.jpg
    20180202_113037.jpg
    20180202_113045.jpg
    20180202_113049.jpg
    ALEKS81, RIHARD 77, ГеннадийВ та ще 1-му подобається це.
  17. 663

    663 ✠ Moderator

    Рейтинг:
    2
    Відгуків:
    12
    Лоти
      на продажу:
    0
      продані:
    17
    Повідомлення:
    7.593
    Адреса:
    Україна.
    Останні штрихи болгарки.
     

    Images:

    20180202_120759.jpg
    20180202_120823.jpg
    20180202_120838.jpg
    Jawist, ALEKS81, RIHARD 77 та 3 іншим подобається це.
  18. 663

    663 ✠ Moderator

    Рейтинг:
    2
    Відгуків:
    12
    Лоти
      на продажу:
    0
      продані:
    17
    Повідомлення:
    7.593
    Адреса:
    Україна.
    Круглим напильником підвів пружинячу площину.
     

    Images:

    20180202_133026.jpg
    20180202_133048.jpg
    20180202_133102.jpg
    ALEKS81, RIHARD 77, ГеннадийВ та ще 1-му подобається це.
  19. 663

    663 ✠ Moderator

    Рейтинг:
    2
    Відгуків:
    12
    Лоти
      на продажу:
    0
      продані:
    17
    Повідомлення:
    7.593
    Адреса:
    Україна.
    Посадочне місце. Пройшовся з грубого болгаркою, потому дремелем диском під потрібним кутом та поправив шліфовкою на дремелі.
    За одно поправив пружинячу частину заготовки.
     

    Images:

    20180202_133523.jpg
    20180202_134620.jpg
    20180202_135110.jpg
    20180202_135127.jpg
    20180202_135146.jpg
    ALEKS81, RIHARD 77, ГеннадийВ та ще 1-му подобається це.
  20. 663

    663 ✠ Moderator

    Рейтинг:
    2
    Відгуків:
    12
    Лоти
      на продажу:
    0
      продані:
    17
    Повідомлення:
    7.593
    Адреса:
    Україна.
    Підгонку та доведення обох заготовок в деталь робив практично одночасно. Попрацював місцями надфілями та пройшовся грубою наждачкою.
     

    Images:

    20180202_143005.jpg
    20180202_143016.jpg
    20180202_143032.jpg
    20180202_143036.jpg
    ALEKS81, RIHARD 77, Artyr та 2 іншим подобається це.
  21. 663

    663 ✠ Moderator

    Рейтинг:
    2
    Відгуків:
    12
    Лоти
      на продажу:
    0
      продані:
    17
    Повідомлення:
    7.593
    Адреса:
    Україна.
    Надав заготовкам форму. Фіксував плоскогубцями через папір та гнув просто пальцями іноді впирав пружину у стіл. Все робив не спіша щоб не получилося різкого загину. Коротка пружина йшла впертіше ніж довга.
     

    Images:

    20180202_144214.jpg
    20180202_144249.jpg
    20180202_144305.jpg
    20180202_144338.jpg
    Jawist, A10A, Helmut Hesler та 4 іншим подобається це.
  22. 663

    663 ✠ Moderator

    Рейтинг:
    2
    Відгуків:
    12
    Лоти
      на продажу:
    0
      продані:
    17
    Повідомлення:
    7.593
    Адреса:
    Україна.
    Закалка та фіксування форми деталі. Для початківців розібью на два єтапи.
    Положив заготовки на електроплиту та накрив їх фольгою, так деталь добряче прогріється. На останім фото видно результат нагріття, деталь розкалилася рівномірно. Без фольги такого результату не добитися.
     

    Images:

    20180202_145133.jpg
    20180202_145157.jpg
    20180202_145206.jpg
    20180202_150322.jpg
    Jawist, ALEKS81, RIHARD 77 та 2 іншим подобається це.
  23. 663

    663 ✠ Moderator

    Рейтинг:
    2
    Відгуків:
    12
    Лоти
      на продажу:
    0
      продані:
    17
    Повідомлення:
    7.593
    Адреса:
    Україна.
    Після розігріву швиденько закинув заготовки у переробку. Такі мілкі деталі виймаю магнітом. Просто проводжу по зовнішній стороні банки магнітом а детальки і прилипають.
    Після того як деталі були протерті на сухо, стало зрозуміло що пружини у мене є. Хоча вигляд у них був закопчений, працюють вони нормально.
     

    Images:

    20180202_150557.jpg
    20180202_150708.jpg
    20180202_150625.jpg
    20180202_151111.jpg
    20180202_151123.jpg
    Jawist, ALEKS81, ГеннадийВ та 2 іншим подобається це.
  24. 663

    663 ✠ Moderator

    Рейтинг:
    2
    Відгуків:
    12
    Лоти
      на продажу:
    0
      продані:
    17
    Повідомлення:
    7.593
    Адреса:
    Україна.
    Шліфанув від копоті деталі ще рас. Грубою наждачкою. Надіюся за ці полоски буде в майбутньому змаска краще триматися.
     

    Images:

    20180202_151426.jpg
    Jawist, ALEKS81, RIHARD 77 та ще 1-му подобається це.
  25. 663

    663 ✠ Moderator

    Рейтинг:
    2
    Відгуків:
    12
    Лоти
      на продажу:
    0
      продані:
    17
    Повідомлення:
    7.593
    Адреса:
    Україна.
    Пружини на біс.
    Вороніння по переду.
     

    Images:

    20180202_152456.jpg
    20180202_152547.jpg
    20180202_152623.jpg
    20180202_152636.jpg
    20180202_152644.jpg
    20180202_152757.jpg
    20180202_152811.jpg
    Jawist, Helmut Hesler, БЛК та 3 іншим подобається це.
  26. 663

    663 ✠ Moderator

    Рейтинг:
    2
    Відгуків:
    12
    Лоти
      на продажу:
    0
      продані:
    17
    Повідомлення:
    7.593
    Адреса:
    Україна.
    Може хто в курсі, як кріпилася база мушки до ствола у Бердан 2 ?.
    На мому ця частина вбита, та краще зробити все нове.
     

    Images:

    5037985.jpg