Чапка улана

Тема у розділі 'Реставрація знахідок', створена користувачем ALEKS81, 8 лют 2016.

  1. АСИРИС 1984

    АСИРИС 1984 Hauptmann Клуб взаимопомощи

    Рейтинг:
    2
    Відгуків:
    13
    Лоти
      на продажу:
    0
      продані:
    15
    Повідомлення:
    3.926
    Адреса:
    Белая Церковь
    Самое время для изменений-у вас ошибка.Самая крайня (самая большая)чешуя идет в два фестона- это у Вас верно, вторая идет также в два фестона(у вас идет уже в три-что не верно).
     
    Останнє редагування: 24 жов 2017
    Bogdanternopol, 19viktortsw71 та 663 подобається це.
  2. Цікаві лоти

    1. Рідкісний Орел на головний убір кригсмарине, для півдейного фронту (африка). Чудовий стан
      3600 грн.
    2. Цинкова кокарда на німецький кашкет. Стан - мінт!
      1600 грн.
    3. До вашої уваги Крупний Нарукавний пришивний Знак NSKK. Такі знаки використовувалося Націонал-Со...
      698 грн.
    4. Водостойкий полукомбинезон из комплекта N-2 Rain. Контракт: contract NXsx 9-322 Латунная молния TALO...
      2200 грн.
    5. До вашої уваги Гірсько-Єгерських Едельвейс Вермахту з клеймом «G.B. 41» Такі знаки використовува...
      700 грн.
  3. 663

    663 ✠ Moderator

    Рейтинг:
    2
    Відгуків:
    12
    Лоти
      на продажу:
    0
      продані:
    17
    Повідомлення:
    7.596
    Адреса:
    Україна.
    Принялся за подгонку чешуек. Пока не в чистовую. После того как очищу все чешуйки до такого же состояния, пойду на второй круг подгонки, уже в чистовую, потом полировка.
    Делаю паралельно две селёдки. Пока подогнал по несколько чешуек.
     

    Images:

    20171024_183153.jpg
    20171024_183201.jpg
    20171024_183221.jpg
    Bogdanternopol, RIHARD 77, Andrej.An86 та 7 іншим подобається це.
  4. 663

    663 ✠ Moderator

    Рейтинг:
    2
    Відгуків:
    12
    Лоти
      на продажу:
    0
      продані:
    17
    Повідомлення:
    7.596
    Адреса:
    Україна.
    На ваши работы глаз положил :).
     
    Bogdanternopol та АСИРИС 1984 подобається це.
  5. АСИРИС 1984

    АСИРИС 1984 Hauptmann Клуб взаимопомощи

    Рейтинг:
    2
    Відгуків:
    13
    Лоти
      на продажу:
    0
      продані:
    15
    Повідомлення:
    3.926
    Адреса:
    Белая Церковь
    крайние "самые длинные)чешуйки имели просто "выпуклую""вогнутую" форму даже не знаю как обьяснить.... ну чтото типа ложки только не так выражены...у вас вариант крайних как на ровной чешуе, только она даже в ровной без каких либо изгибов.
     
    Bogdanternopol подобається це.
  6. АСИРИС 1984

    АСИРИС 1984 Hauptmann Клуб взаимопомощи

    Рейтинг:
    2
    Відгуків:
    13
    Лоти
      на продажу:
    0
      продані:
    15
    Повідомлення:
    3.926
    Адреса:
    Белая Церковь
    Камрад, я не делаю уланов:(,была одна,приятно и интересно было работать с ней кстати:).Теперь только добрым словом и советом;)
     
    Bogdanternopol та 663 подобається це.
  7. 663

    663 ✠ Moderator

    Рейтинг:
    2
    Відгуків:
    12
    Лоти
      на продажу:
    0
      продані:
    17
    Повідомлення:
    7.596
    Адреса:
    Україна.
    На эту смотрел. Точную копию силёдки конечно не старался сделать но общий вид взял.
    Над этим работаю. Дело для меня новое и без ошибок не обойтись. (спасибо за поправки).
     

    Images:

    dbh31b.jpg
    Bogdanternopol подобається це.
  8. 663

    663 ✠ Moderator

    Рейтинг:
    2
    Відгуків:
    12
    Лоти
      на продажу:
    0
      продані:
    17
    Повідомлення:
    7.596
    Адреса:
    Україна.
    Во засада. Ну чтож я не спешу, подожду. Возможно вы возобновите свои работы да и время покажет. Пока займусь форнитурой а там видно будет.
     
    Bogdanternopol та АСИРИС 1984 подобається це.
  9. АСИРИС 1984

    АСИРИС 1984 Hauptmann Клуб взаимопомощи

    Рейтинг:
    2
    Відгуків:
    13
    Лоти
      на продажу:
    0
      продані:
    15
    Повідомлення:
    3.926
    Адреса:
    Белая Церковь
    Да я продолжаю работать над шапками:) сейчас у меня пилотный проэкт парадной шапки гусара риа...просто времени нет на уланов-теперь я таки бы сделал лучше...насчет фестонов чешуи, все таки настоятельно прошу ко мне прислушаться,конечно не критично но есть время вырезать пару правильных чешуек...
     

    Images:

    52139655.jpg
    dbh32d.jpg
    Bogdanternopol, БЛК та 663 подобається це.
  10. 663

    663 ✠ Moderator

    Рейтинг:
    2
    Відгуків:
    12
    Лоти
      на продажу:
    0
      продані:
    17
    Повідомлення:
    7.596
    Адреса:
    Україна.
    Всего сколько чешуек на одной силёдке (включая длинную зацеп) ?.
     
    Bogdanternopol та АСИРИС 1984 подобається це.
  11. АСИРИС 1984

    АСИРИС 1984 Hauptmann Клуб взаимопомощи

    Рейтинг:
    2
    Відгуків:
    13
    Лоти
      на продажу:
    0
      продані:
    15
    Повідомлення:
    3.926
    Адреса:
    Белая Церковь
    От 18 до 14,делайте 18...
     
    Bogdanternopol та 663 подобається це.
  12. АСИРИС 1984

    АСИРИС 1984 Hauptmann Клуб взаимопомощи

    Рейтинг:
    2
    Відгуків:
    13
    Лоти
      на продажу:
    0
      продані:
    15
    Повідомлення:
    3.926
    Адреса:
    Белая Церковь
    Надумаете заказывать кожаного улана маякуйте в личку.... кину инфу кто Вам может сделать,лучше в Украине- никто не сделает...
     
    Bogdanternopol та 663 подобається це.
  13. ALEKS81

    ALEKS81 Oberstleutnant

    Рейтинг:
    3
    Відгуків:
    17
    Лоти
      на продажу:
    0
      продані:
    30
    Повідомлення:
    4.822
    Адреса:
    Прилуки
    Там же еще прикол в том, что для разного размера самой уланки, количество чешек разное. У меня для 57 размера, вроде 15 штук было вместе с зацепами на каждой стороне. Нужно буде потом прикидывать. Глянь в начале темы, как я делал.
     
    Bogdanternopol, АСИРИС 1984, Aleks Gal та ще 1-му подобається це.
  14. 663

    663 ✠ Moderator

    Рейтинг:
    2
    Відгуків:
    12
    Лоти
      на продажу:
    0
      продані:
    17
    Повідомлення:
    7.596
    Адреса:
    Україна.
    Принято, спасибо. Пока займусь обвесом, а к новому году возможно и подарок себе сделаю.
     
    Bogdanternopol та АСИРИС 1984 подобається це.
  15. АСИРИС 1984

    АСИРИС 1984 Hauptmann Клуб взаимопомощи

    Рейтинг:
    2
    Відгуків:
    13
    Лоти
      на продажу:
    0
      продані:
    15
    Повідомлення:
    3.926
    Адреса:
    Белая Церковь
    Да, от размера как и в пикелях,потом я так понял-не катит:D,камрад сразу делает чешую,сделает 18 и закажет скажем шапку на 58 размер головы,потом можно сыграть у уланов четко не обозначены крепления к шапке.
     
    Bogdanternopol, ALEKS81 та 663 подобається це.
  16. ALEKS81

    ALEKS81 Oberstleutnant

    Рейтинг:
    3
    Відгуків:
    17
    Лоти
      на продажу:
    0
      продані:
    30
    Повідомлення:
    4.822
    Адреса:
    Прилуки
    Он может примерять на свой пикель. Думаю так будет лучше всего и с размером уланки не ошибется.
     
    Bogdanternopol подобається це.
  17. ALEKS81

    ALEKS81 Oberstleutnant

    Рейтинг:
    3
    Відгуків:
    17
    Лоти
      на продажу:
    0
      продані:
    30
    Повідомлення:
    4.822
    Адреса:
    Прилуки
    По зацепу на крайних чешуйках, на офицерских был шпенек в виде ключа, который вставлялся в отверстие и поворачивался.
     
    Bogdanternopol та 663 подобається це.
  18. 663

    663 ✠ Moderator

    Рейтинг:
    2
    Відгуків:
    12
    Лоти
      на продажу:
    0
      продані:
    17
    Повідомлення:
    7.596
    Адреса:
    Україна.
    Гвоздик такой хочу поставить, он проще. Будет правильно ?.
     

    Images:

    dbh32.jpg
    Bogdanternopol, БЛК та ALEKS81 подобається це.
  19. ALEKS81

    ALEKS81 Oberstleutnant

    Рейтинг:
    3
    Відгуків:
    17
    Лоти
      на продажу:
    0
      продані:
    30
    Повідомлення:
    4.822
    Адреса:
    Прилуки
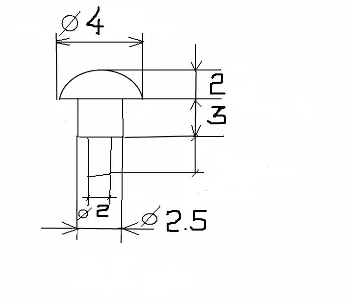
    Ну если на оригинале такой, то можно и такой. В начале темы есть чертеж шпенька, размеры сняты с оригинала.
     
    Bogdanternopol, yarik600rr та 663 подобається це.
  20. 663

    663 ✠ Moderator

    Рейтинг:
    2
    Відгуків:
    12
    Лоти
      на продажу:
    0
      продані:
    17
    Повідомлення:
    7.596
    Адреса:
    Україна.
    В том то и дело что глаз уже положил на этот чертёж.
    Добавил по чешуйке на силёдки.
     

    Images:

    20171025_093740.jpg
    20171025_093850.jpg
    Останнє редагування: 25 жов 2017
    Bogdanternopol, RIHARD 77, knyz та 3 іншим подобається це.
  21. 663

    663 ✠ Moderator

    Рейтинг:
    2
    Відгуків:
    12
    Лоти
      на продажу:
    0
      продані:
    17
    Повідомлення:
    7.596
    Адреса:
    Україна.
    Подтянул чешуйки маленько. Дальше отверстия под крепления, шлифовка окончательных форм и полировка. Что правда ещё возможны кое какие изменения.
     

    Images:

    20171025_140617.jpg
    20171025_140624.jpg
    20171025_140634.jpg
    20171025_140648.jpg
    Bogdanternopol, RIHARD 77, knyz та 5 іншим подобається це.
  22. 663

    663 ✠ Moderator

    Рейтинг:
    2
    Відгуків:
    12
    Лоти
      на продажу:
    0
      продані:
    17
    Повідомлення:
    7.596
    Адреса:
    Україна.
    Используя схему из тем принялся за зацэпы.
    Отверстия.
     

    Images:

    drg.png
    20171026_112547.jpg
    Bogdanternopol, RIHARD 77, ALEKS81 та 2 іншим подобається це.
  23. 663

    663 ✠ Moderator

    Рейтинг:
    2
    Відгуків:
    12
    Лоти
      на продажу:
    0
      продані:
    17
    Повідомлення:
    7.596
    Адреса:
    Україна.
    Шпенёк.
    Зажал брусочек латуни в дрель, дремелем снял чуток с грубого лишнего под стойку.
     

    Images:

    20171026_112555.jpg
    20171026_112620.jpg
    20171026_112905.jpg
    20171026_113313.jpg
    Bogdanternopol, RIHARD 77, ALEKS81 та 3 іншим подобається це.
  24. 663

    663 ✠ Moderator

    Рейтинг:
    2
    Відгуків:
    12
    Лоти
      на продажу:
    0
      продані:
    17
    Повідомлення:
    7.596
    Адреса:
    Україна.
    Проточил напильником под стойку.
     

    Images:

    20171026_113346.jpg
    20171026_113747.jpg
    20171026_114512.jpg
    Bogdanternopol, RIHARD 77, knyz та 3 іншим подобається це.
  25. 663

    663 ✠ Moderator

    Рейтинг:
    2
    Відгуків:
    12
    Лоти
      на продажу:
    0
      продані:
    17
    Повідомлення:
    7.596
    Адреса:
    Україна.
    Проточил под шляпку.
     

    Images:

    20171026_114500.jpg
    20171026_114520.jpg
    Bogdanternopol, RIHARD 77, knyz та 2 іншим подобається це.
  26. 663

    663 ✠ Moderator

    Рейтинг:
    2
    Відгуків:
    12
    Лоти
      на продажу:
    0
      продані:
    17
    Повідомлення:
    7.596
    Адреса:
    Україна.
    Проточил посадочное место.
     

    Images:

    20171026_114958.jpg
    20171026_115003.jpg
    Bogdanternopol, RIHARD 77, knyz та 3 іншим подобається це.