Чапка улана

Тема у розділі 'Реставрація знахідок', створена користувачем ALEKS81, 8 лют 2016.

  1. ALEKS81

    ALEKS81 Oberstleutnant

    Рейтинг:
    3
    Відгуків:
    18
    Лоти
      на продажу:
    0
      продані:
    32
    Повідомлення:
    4.822
    Адреса:
    Прилуки
    Хочу сделать кожаную уланскую чапку. Болван под колпак сделал давно и пробовал натянуть кожу, ну что-то не вышло, натянулась только где-то 4-5см. без волн. Думаю кожа старая и тугая. Буду пробовать еще. Может у кого будут еще идеи. Также сделал болван по "табуретку" уланки, но на нее кожу пока натягивать не пробовал.
     

    Images:

    IMG_5156.jpg
    IMG_5159.jpg
    Изображение 052.jpg
    Изображение 051.jpg
    hudojnikhg9612, bad08, фандик та 6 іншим подобається це.
    1. ММГ підривника
      400 грн.
    2. Латунь. Діаметр 35мм.
      100 грн.
    3. ММГ французького підривника
      250 грн.
    4. Стан по фото,в одній чека витягується(по фото),інші нічого не витягувалося.
      400 грн.
    5. Латунь и железо.
      230 грн.
  2. ALEKS81

    ALEKS81 Oberstleutnant

    Рейтинг:
    3
    Відгуків:
    18
    Лоти
      на продажу:
    0
      продані:
    32
    Повідомлення:
    4.822
    Адреса:
    Прилуки
    Пока не достал нормальную кожу, решил заняться фурнитурой. Изготовил репеек. Взял кусок деревяшки, обточил по форме, далее просверлил два отверстия под крепление, согнул медную проволоку нужной формы, вставил в деревяшку и загнул с обратной стороны. После этого вырезал овал из тонкого картона и обшил его черным сукном и пришил к белой хлопковой ткани. Затем обвернул вокруг деревяшки, стянул по краям нитками и сзади пришил кусок сукна. В итого получился такой вот прусский репеек, так как уланка будет прусской.
     

    Images:

    DSCN0230.jpg
    DSCN0265.jpg
    Изображение 062.jpg
    Изображение 060.jpg
    Изображение 061.jpg
    hudojnikhg9612, Miklos, Wolf Naigt та 5 іншим подобається це.
  3. ALEKS81

    ALEKS81 Oberstleutnant

    Рейтинг:
    3
    Відгуків:
    18
    Лоти
      на продажу:
    0
      продані:
    32
    Повідомлення:
    4.822
    Адреса:
    Прилуки
    Виды репейков разных земель.
     

    Images:

    3 (1).jpg
    Gasser, Стрипа, tankis та 2 іншим подобається це.
  4. ALEKS81

    ALEKS81 Oberstleutnant

    Рейтинг:
    3
    Відгуків:
    18
    Лоти
      на продажу:
    0
      продані:
    32
    Повідомлення:
    4.822
    Адреса:
    Прилуки
    Были когда-то приобретены остатки чешуйчастного ремня. Заклепки отсоеденил, выровнял крепления с помощью которых ремень цепляется на саму чапку. Недостающие чешуйки вырезал с листовой латуни ножницами и обработал надфилями до нужной формы и полирнул на войлочном круге с пастой ГОИ. После этого временно присоединил их к полоскам кожзама с помощью металлических скоб, чтобы узнать какая нужна длинна, мерил на фетровом пикеле.
     

    Images:

    080920141743.jpg
    DSCN0238.jpg
    Изображение 055.jpg
    Изображение 054.jpg
    Изображение 058.jpg
    Изображение 053.jpg
    Изображение 057.jpg
    Turik11, hudojnikhg9612, ledigaga та 11 іншим подобається це.
  5. ALEKS81

    ALEKS81 Oberstleutnant

    Рейтинг:
    3
    Відгуків:
    18
    Лоти
      на продажу:
    0
      продані:
    32
    Повідомлення:
    4.822
    Адреса:
    Прилуки
    Пока еще не собрал, так появилась одна задачка. Клеились ли ремни к "обверточной" коже, к которой крепятся чешуйки? На фото оригиналов толком не видно. Камрады может кто знает.
     

    Images:

    $_57 (17).JPG
    $_57 (8).JPG
    663, фандик та tankis подобається це.
  6. ALEKS81

    ALEKS81 Oberstleutnant

    Рейтинг:
    3
    Відгуків:
    18
    Лоти
      на продажу:
    0
      продані:
    32
    Повідомлення:
    4.822
    Адреса:
    Прилуки
    Судя по этому фото вроде нет. Следов клея и склейки не видно.
     

    Images:

    ChinScales002-1.jpg
    663 та фандик подобається це.
  7. фандик

    фандик Oberleutnant

    Рейтинг:
    2
    Відгуків:
    4
    Лоти
      на продажу:
    0
      продані:
    7
    Повідомлення:
    2.581
    Адреса:
    Україна
    Саня , чешуйки крепились к ремешку , металлическими скобами .
     
    663 та Стрипа подобається це.
  8. фандик

    фандик Oberleutnant

    Рейтинг:
    2
    Відгуків:
    4
    Лоти
      на продажу:
    0
      продані:
    7
    Повідомлення:
    2.581
    Адреса:
    Україна
    Стрипа та ALEKS81 подобається це.
  9. ALEKS81

    ALEKS81 Oberstleutnant

    Рейтинг:
    3
    Відгуків:
    18
    Лоти
      на продажу:
    0
      продані:
    32
    Повідомлення:
    4.822
    Адреса:
    Прилуки
    Юра, чешуйки крепились на кожу которой обворачивался подбородочный ремешок, на фото в посте #6 видно. Меня вот интересует, эта обвороточная кожа клеилась к самому ремешку или нет? На фото которые у меня есть толком не видно. А вот на фото из поста #6 следов клея на коже, там где ремешок соприкасался с ней не видно. Так что думаю может только склеивались края кожи между собой.
     
  10. фандик

    фандик Oberleutnant

    Рейтинг:
    2
    Відгуків:
    4
    Лоти
      на продажу:
    0
      продані:
    7
    Повідомлення:
    2.581
    Адреса:
    Україна
    Кожа клеилась к ремешку .
     
    ALEKS81 подобається це.
  11. фандик

    фандик Oberleutnant

    Рейтинг:
    2
    Відгуків:
    4
    Лоти
      на продажу:
    0
      продані:
    7
    Повідомлення:
    2.581
    Адреса:
    Україна
    Саня, поищи по ссылке которую я скинул . Там подробный процесс есть .
     
    ALEKS81 подобається це.
  12. фандик

    фандик Oberleutnant

    Рейтинг:
    2
    Відгуків:
    4
    Лоти
      на продажу:
    0
      продані:
    7
    Повідомлення:
    2.581
    Адреса:
    Україна
  13. ALEKS81

    ALEKS81 Oberstleutnant

    Рейтинг:
    3
    Відгуків:
    18
    Лоти
      на продажу:
    0
      продані:
    32
    Повідомлення:
    4.822
    Адреса:
    Прилуки
  14. фандик

    фандик Oberleutnant

    Рейтинг:
    2
    Відгуків:
    4
    Лоти
      на продажу:
    0
      продані:
    7
    Повідомлення:
    2.581
    Адреса:
    Україна
    Саня , как дела продвигаются с чапкой ?
     
  15. ALEKS81

    ALEKS81 Oberstleutnant

    Рейтинг:
    3
    Відгуків:
    18
    Лоти
      на продажу:
    0
      продані:
    32
    Повідомлення:
    4.822
    Адреса:
    Прилуки
    Юра, пока на месте. Занимался другими предметами.
     
    фандик подобається це.
  16. ALEKS81

    ALEKS81 Oberstleutnant

    Рейтинг:
    3
    Відгуків:
    18
    Лоти
      на продажу:
    0
      продані:
    32
    Повідомлення:
    4.822
    Адреса:
    Прилуки
    Сделал пряжку. Взял латунную пластинку, расчертил, насверлил отверстий, зажал в тиски и надфилями выточил. Язычок вырезал из латунной полоски, согнул и установил. Еще пробил отверстия под язычок пряжки с помощью латунной трубочки.
     

    Images:

    Изображение 085.jpg
    Изображение 087.jpg
    Изображение 084.jpg
    Изображение 083.jpg
    Изображение 086.jpg
    Стрипа, фандик, tankis та 3 іншим подобається це.
  17. ALEKS81

    ALEKS81 Oberstleutnant

    Рейтинг:
    3
    Відгуків:
    18
    Лоти
      на продажу:
    0
      продані:
    32
    Повідомлення:
    4.822
    Адреса:
    Прилуки
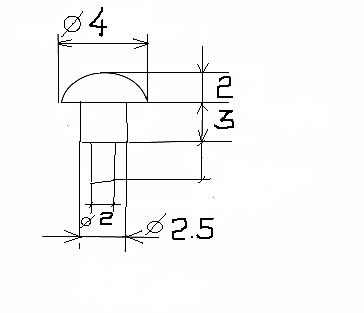
    Чертежи шпенька, пряжки...
     

    Images:

    6865660 (1).jpg
    drg.png
    Unbenannt.png
    Amadeus, ledigaga, Стрипа та 4 іншим подобається це.
  18. ALEKS81

    ALEKS81 Oberstleutnant

    Рейтинг:
    3
    Відгуків:
    18
    Лоти
      на продажу:
    0
      продані:
    32
    Повідомлення:
    4.822
    Адреса:
    Прилуки
    Чертеж кожи подбородочного ремня. Размеры под отверстия для крепления чешуи не ставил, так количество их было разное.
     

    Images:

    Изображение 083.jpg
    Amadeus, Стрипа, LISORYB та 3 іншим подобається це.
  19. фандик

    фандик Oberleutnant

    Рейтинг:
    2
    Відгуків:
    4
    Лоти
      на продажу:
    0
      продані:
    7
    Повідомлення:
    2.581
    Адреса:
    Україна
    Саня , где ты размеры достал ?
     
  20. ALEKS81

    ALEKS81 Oberstleutnant

    Рейтинг:
    3
    Відгуків:
    18
    Лоти
      на продажу:
    0
      продані:
    32
    Повідомлення:
    4.822
    Адреса:
    Прилуки
    Юра, некоторые один форумчанин снял с оригинального, а другие сам просчитывал приблизительно.
     
    663 подобається це.
  21. фандик

    фандик Oberleutnant

    Рейтинг:
    2
    Відгуків:
    4
    Лоти
      на продажу:
    0
      продані:
    7
    Повідомлення:
    2.581
    Адреса:
    Україна
    Спасибо , Санёк . Очень стоящий чертёжик . Я за ним давно гонялся . :)
     
    ALEKS81 подобається це.
  22. ALEKS81

    ALEKS81 Oberstleutnant

    Рейтинг:
    3
    Відгуків:
    18
    Лоти
      на продажу:
    0
      продані:
    32
    Повідомлення:
    4.822
    Адреса:
    Прилуки
    Юра, не за что;)
     
    фандик подобається це.
  23. ALEKS81

    ALEKS81 Oberstleutnant

    Рейтинг:
    3
    Відгуків:
    18
    Лоти
      на продажу:
    0
      продані:
    32
    Повідомлення:
    4.822
    Адреса:
    Прилуки
    Доделал чешуйчастый. Вырезал пеобразные скобки из жести, пробил в кусках кожи отверстия, прикрепил скобами чешуйки. После этого приложил ремни к коже, намазал клеем "момент резиновый" края, овбернул ими ремешки и приклеил. Изготовил заклепки из латунного прутка и все соединил.
     

    Images:

    QjXn8hb5Fm4 (1).jpg
    BwOQ8yJ_mt0.jpg
    MVAx2Gcl_84.jpg
    cE45BOCOqgk.jpg
    Amadeus, ledigaga, Стрипа та 7 іншим подобається це.
  24. 663

    663 ✠ Moderator

    Рейтинг:
    2
    Відгуків:
    12
    Лоти
      на продажу:
    0
      продані:
    17
    Повідомлення:
    7.598
    Адреса:
    Україна.
    Получилось отлично. Медленно но уверенно. Хороший проект по уланке.
    С кожей ещё не наловчился ?.
     
    RIHARD 77, Стрипа та ALEKS81 подобається це.
  25. ALEKS81

    ALEKS81 Oberstleutnant

    Рейтинг:
    3
    Відгуків:
    18
    Лоти
      на продажу:
    0
      продані:
    32
    Повідомлення:
    4.822
    Адреса:
    Прилуки
    Спасибо. Да доделал бы давно ремень, была проблема с заклепками, вернее с приспособлениями для их изготовления, провозился с ними часа 4. К коже пока не приступал, пока думаю как натянуть. Пробовал так натянуть, так не получается, см 4 нормально, а дальше идут волны. Нужно думать о какой-то приспособе. Хотя думаю это из-за кожи, старая она и жесткая, может воловья.
     
    фандик та 663 подобається це.