Арисака

Тема у розділі 'Реставрація знахідок', створена користувачем Jawist, 28 вер 2016.

  1. andrey@

    andrey@ Stabsgefreiter

    Рейтинг:
    2
    Відгуків:
    3
    Лоти
      на продажу:
    1
      продані:
    6
    Повідомлення:
    179
    Адреса:
    Украина
    Вижу я единомышленника нашел.
     
    Jawist подобається це.
  2. Цікаві лоти

    1. Оригінал 1855 року. Німецька мова. Лейпцигське видання. Історія одного з найзнаменитіших воєначальни...
      375 грн.
    2. Книга старовинна виробництва Франції 1861 року
      350 грн.
    3. Портретное фото офицер. Открыточный формат
      500 грн.
    4. Стан на фото.Реставрована. Немає титульної сторінки ( на фото). Показав першу та послідню сторінку (...
      100000 грн.
    5. Католический молитвенник времен Первой мировой войны. Мягкий переплет, 80 страницы, буклет баварски...
      1000 грн.
  3. Jawist

    Jawist General-major

    Рейтинг:
    3
    Відгуків:
    18
    Лоти
      на продажу:
    0
      продані:
    27
    Повідомлення:
    7.933
    Адреса:
    Слобода
    подниму тему, подарили мне такую базу на арисаку
     

    Images:

    DSC03728.JPG
    DSC03729.JPG
    DSC03730.JPG
    Oprishok, StudenT(), Scolver та ще 1-му подобається це.
  4. Scolver

    Scolver Feldwebel

    Рейтинг:
    3
    Відгуків:
    20
    Лоти
      на продажу:
    0
      продані:
    31
    Повідомлення:
    614
    Адреса:
    Запорожье
    Очень грустная база что-то...
     
    Jawist подобається це.
  5. Jawist

    Jawist General-major

    Рейтинг:
    3
    Відгуків:
    18
    Лоти
      на продажу:
    0
      продані:
    27
    Повідомлення:
    7.933
    Адреса:
    Слобода
    а есть выбор? можете аналоги предложить? на форуме в продажах 0, так что я рад и этой. можно подшаманить и еще послужит с ув!
     
    StudenT() та 663 подобається це.
  6. Scolver

    Scolver Feldwebel

    Рейтинг:
    3
    Відгуків:
    20
    Лоти
      на продажу:
    0
      продані:
    31
    Повідомлення:
    614
    Адреса:
    Запорожье
    Да я не сомневаюсь, что подшаманите, просто у меня наверное не получилось бы что-то с ней сделать)
     
    Jawist подобається це.
  7. Jawist

    Jawist General-major

    Рейтинг:
    3
    Відгуків:
    18
    Лоти
      на продажу:
    0
      продані:
    27
    Повідомлення:
    7.933
    Адреса:
    Слобода
    даже новодельную можно сделать, есть с чево снять замеры
     
    syrok та StudenT() подобається це.
  8. shersh

    shersh Stabsgefreiter

    Рейтинг:
    4
    Відгуків:
    56
    Лоти
      на продажу:
    0
      продані:
    98
    Повідомлення:
    194
    Дня доброго.Раз така штука,хто має обвісу до 38 арісаки?Поділіться розмірами і фото кольц і прицільної планки,щоб можна було самому надфідем і болгаркою нашаманити.Також куплю ммг ствола.Всім добра!
     
    Jawist подобається це.
  9. VitalicBondarchuk1974

    VitalicBondarchuk1974 Major

    Рейтинг:
    4
    Відгуків:
    55
    Лоти
      на продажу:
    0
      продані:
    100
    Повідомлення:
    2.916
    shersh подобається це.
  10. shersh

    shersh Stabsgefreiter

    Рейтинг:
    4
    Відгуків:
    56
    Лоти
      на продажу:
    0
      продані:
    98
    Повідомлення:
    194
    Дня доброго.Ставка зроблена вже.Дякую за те,що відгукнулися!
     
    VitalicBondarchuk1974 подобається це.
  11. VitalicBondarchuk1974

    VitalicBondarchuk1974 Major

    Рейтинг:
    4
    Відгуків:
    55
    Лоти
      на продажу:
    0
      продані:
    100
    Повідомлення:
    2.916
    :beer:
    С Ув!
     
    shersh подобається це.
  12. shersh

    shersh Stabsgefreiter

    Рейтинг:
    4
    Відгуків:
    56
    Лоти
      на продажу:
    0
      продані:
    98
    Повідомлення:
    194
    От вирішив до 38 Арісаки пошукати якісь креслення.Виявилося досить скрутно.Навіть японські сайти нічим не порадували.Трохи фото з інтернету,для тих хто хоче по пропорціях сам точити деталі до арісаки...
     

    Images:

    01 DSC_0541.jpg
    14462263.jpg
    41228754 (1).jpg
    41228754.jpg
    Oprishok, Jawist та 663 подобається це.
  13. Scolver

    Scolver Feldwebel

    Рейтинг:
    3
    Відгуків:
    20
    Лоти
      на продажу:
    0
      продані:
    31
    Повідомлення:
    614
    Адреса:
    Запорожье
    Надо обращаться в музеи или коллекции с просьбами снять размеры с деталей, потому-что в пропорциях делать это как пальцем в небо тыкать.

    Отправлено с моего m2 через Tapatalk
     
    Jawist та StudenT() подобається це.
  14. shersh

    shersh Stabsgefreiter

    Рейтинг:
    4
    Відгуків:
    56
    Лоти
      на продажу:
    0
      продані:
    98
    Повідомлення:
    194
    Кожен виходить з положення по мірі своїх можливостей.На останньому фото в місці кріплення приливу товщина ствола 15 мм(решту можна приблизно визначити),внутрішні розміри кольца 30*40 мм+-
    Будуть розміри,з радістю ними скористаюся,ще й пиво поставлю:beer:
     
    Jawist, 663 та StudenT() подобається це.
  15. Jawist

    Jawist General-major

    Рейтинг:
    3
    Відгуків:
    18
    Лоти
      на продажу:
    0
      продані:
    27
    Повідомлення:
    7.933
    Адреса:
    Слобода
    Бегунок прицельной планки
    Фрагмент222.jpg
     
    663, StudenT() та shersh подобається це.
  16. Jawist

    Jawist General-major

    Рейтинг:
    3
    Відгуків:
    18
    Лоти
      на продажу:
    0
      продані:
    27
    Повідомлення:
    7.933
    Адреса:
    Слобода
    Прицельная планка
    Фрагмент333.jpg
     
    663, StudenT() та shersh подобається це.
  17. Jawist

    Jawist General-major

    Рейтинг:
    3
    Відгуків:
    18
    Лоти
      на продажу:
    0
      продані:
    27
    Повідомлення:
    7.933
    Адреса:
    Слобода
    кнопка
    кнопка.jpg
     
    663 та StudenT() подобається це.
  18. Jawist

    Jawist General-major

    Рейтинг:
    3
    Відгуків:
    18
    Лоти
      на продажу:
    0
      продані:
    27
    Повідомлення:
    7.933
    Адреса:
    Слобода
    Два винта с планки, первый с бегунка, второй стопорный с планки
     

    Images:

    винт планки.jpg
    винт.jpg
    663 та StudenT() подобається це.
  19. Jawist

    Jawist General-major

    Рейтинг:
    3
    Відгуків:
    18
    Лоти
      на продажу:
    0
      продані:
    27
    Повідомлення:
    7.933
    Адреса:
    Слобода
    Жду пиво))
    4ht9y6j3N_0.jpg kZaP8vQ6lLU.jpg izgDFQXxqx8.jpg nYgKSVQv7Vg.jpg
     
    663, StudenT(), VitalicBondarchuk1974 та 2 іншим подобається це.
  20. shersh

    shersh Stabsgefreiter

    Рейтинг:
    4
    Відгуків:
    56
    Лоти
      на продажу:
    0
      продані:
    98
    Повідомлення:
    194
    663, VitalicBondarchuk1974 та Jawist подобається це.
  21. Jawist

    Jawist General-major

    Рейтинг:
    3
    Відгуків:
    18
    Лоти
      на продажу:
    0
      продані:
    27
    Повідомлення:
    7.933
    Адреса:
    Слобода
    та ладно) у нас і тут пива хватає
     
    663 та StudenT() подобається це.
  22. Jawist

    Jawist General-major

    Рейтинг:
    3
    Відгуків:
    18
    Лоти
      на продажу:
    0
      продані:
    27
    Повідомлення:
    7.933
    Адреса:
    Слобода
    зараз ніколи щитати, з Вас чертеж колець
     
    663 та StudenT() подобається це.
  23. Jawist

    Jawist General-major

    Рейтинг:
    3
    Відгуків:
    18
    Лоти
      на продажу:
    0
      продані:
    27
    Повідомлення:
    7.933
    Адреса:
    Слобода
    Добавлю своего железа
     

    Images:

    DSC_2781.JPG
    DSC_2783.JPG
    DSC_2784.JPG
    DSC_2799.JPG
    DSC_2843.JPG
    DSC_2844.JPG
    DSC_2845.JPG
    DSC_2846.JPG
    DSC_2847.JPG
    ArtBorsuk, 663, StudenT() та ще 1-му подобається це.
  24. Jawist

    Jawist General-major

    Рейтинг:
    3
    Відгуків:
    18
    Лоти
      на продажу:
    0
      продані:
    27
    Повідомлення:
    7.933
    Адреса:
    Слобода
    бегунок с которого снимал замеры
     

    Images:

    DSC_2800.JPG
    DSC_2801.JPG
    DSC_2804.JPG
    DSC_2806.JPG
    DSC_2807.JPG
    ArtBorsuk, 663 та StudenT() подобається це.
  25. Jawist

    Jawist General-major

    Рейтинг:
    3
    Відгуків:
    18
    Лоти
      на продажу:
    0
      продані:
    27
    Повідомлення:
    7.933
    Адреса:
    Слобода
    добавлю фото
     

    Images:

    DSC03927.JPG
    DSC03928.JPG
    DSC03929.JPG
    DSC03930.JPG
    DSC03931.JPG
    DSC03932.JPG
    DSC03933.JPG
    ArtBorsuk, StudenT() та 663 подобається це.
  26. Jawist

    Jawist General-major

    Рейтинг:
    3
    Відгуків:
    18
    Лоти
      на продажу:
    0
      продані:
    27
    Повідомлення:
    7.933
    Адреса:
    Слобода
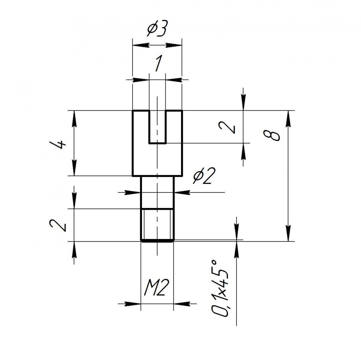
    чертеж тыльника Фрагмент.jpg
     
    Scolver, shersh, StudenT() та ще 1-му подобається це.