запчасти.

Тема в разделе "Хлам", создана пользователем Наталья Рудня, 16 апр 2018.

  1. Наталья Рудня

    Наталья Рудня Stabsfeldwebel

    Рейтинг:
    5
    Отзывов:
    288
    Лоты
      на продаже:
    3
      проданные:
    527
    Добрый день , подскажите пожалуйста по предметам , может кто знает , номер 1,2,3,7, найдены на немецкой моторазборке , (ранее были запчасти на дкв) может и они с него , все остальное в разных местах.Интересный молоток .Зарание благодарю.
     

    Изображения:

    P1010595.JPG
    P1010594.JPG
    P1010596.JPG
    P1010597.JPG
    P1010598.JPG
    P1010599.JPG
    P1010600.JPG
    Руслан 0807 нравится это.
  2. Интересные лоты

    1. Котушка робоча але з дефектом,бува працює норм буває починає пілікать,чи то в кабелі проблема,чи то...
      700 грн.
    2. Поисковая катушка Nell Attack к детектору Минелаб Exploer SE ,имеет ряд преимуществ в сравнении...
      3500 грн.
    3. Продам новые поисковые катушки к металлоискателю Vista Gold Gain с частотой 30 кГц. Снайперка Supe...
      8300 грн.
    4. Характеристика: · Матеріал: пластик/ прокладки: гума · Товщина місця посадки: 10 мм · Всі розміри вк...
      200 грн.
    5. Вітаю, пропонується вашій увазі котушка 28RC + захист, для Деус 1. Стан по фото. Працює, акумулятор...
      4000 грн.
  3. Vlad.i.Mir

    Vlad.i.Mir Oberst

    Сообщения:
    5.378
    Адрес:
    Львовская обл
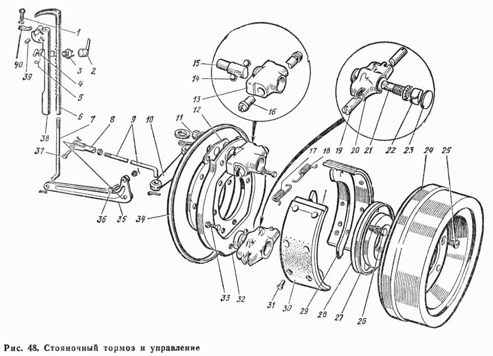
    Добрый день! 4- ручка стояночного тормоза(на схеме 6). С ув.
     

    Изображения:

    48.JPG
    Миша-Клад, MOSkit #, TarASha и 5 другим нравится это.
  4. Ruff

    Ruff Stabsfeldwebel

    Рейтинг:
    3
    Отзывов:
    12
    Лоты
      на продаже:
    0
      проданные:
    53
    Сообщения:
    1.567
    Адрес:
    Україна Запорізька.
    6-рычаг выжимного подшипника сцепления(авто)
    1-крепление нигрипса ДКВ(мото)
     
    Миша-Клад и Наталья Рудня нравится это.
  5. dik76

    dik76 Stabsfeldwebel

    Рейтинг:
    5
    Отзывов:
    298
    Лоты
      на продаже:
    0
      проданные:
    535
    Сообщения:
    747
    Адрес:
    UA
    Приветствую.На фото 6-вилка стартера
     

    Изображения:

    282.jpg
    Bandera3, MOSkit #, Ruff и 6 другим нравится это.
  6. Старий Похабич

    Старий Похабич Moderator

    Рейтинг:
    2
    Отзывов:
    5
    Лоты
      на продаже:
    0
      проданные:
    10
    Сообщения:
    7.521
    Адрес:
    Бишівська Хунта
    Таки не ричаг вижимного. Вилка, яка за рахунок втягующого висуває на шліцах вперед обгонну муфту( бендікс).
     
    Ruff, TarASha, Наталья Рудня и 2 другим нравится это.
  7. valid

    valid Oberleutnant

    Сообщения:
    2.451
    Адрес:
    Ásgarðr
    С учетом тематики сопутствующих предметов предположил бы, что это молоток жестянщика/рихтовщика для кузовных работ типа такого:
    [​IMG]
    или такого, более современного:
    [​IMG]

    Честь имею!
     
    TarASha, grek68 и Наталья Рудня нравится это.
  8. Ruff

    Ruff Stabsfeldwebel

    Рейтинг:
    3
    Отзывов:
    12
    Лоты
      на продаже:
    0
      проданные:
    53
    Сообщения:
    1.567
    Адрес:
    Україна Запорізька.
    Да,прошу прощения,это не сцепление,а стартер(большой размер смутил).
     
  9. Руслан 0807

    Руслан 0807 Feldwebel

    Рейтинг:
    4
    Отзывов:
    88
    Лоты
      на продаже:
    122
      проданные:
    167
    Сообщения:
    282
    Адрес:
    м. Суми
    Молоток (№8) в продаже будет?
     
  10. Наталья Рудня

    Наталья Рудня Stabsfeldwebel

    Рейтинг:
    5
    Отзывов:
    288
    Лоты
      на продаже:
    3
      проданные:
    527
    Добрый день , я думала что он по войне, а он современный , уже пользуемся дома, нет.с ув.