Всё чертежи, что есть.

Тема у розділі 'Виготовлення уніформи та екіпірування', створена користувачем Demus, 16 січ 2021.

  1. Demus

    Demus Leutnant

    Повідомлення:
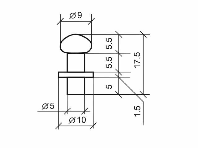
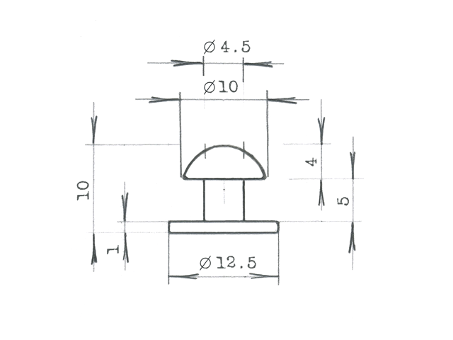
    2.070
    Адреса:
    Запорожье, Украина.
    По чуть-чуть буду загружать сюда всё чертежи по снаряге и ркка и вермахту. Начну с игрека:
     

    Images:

    3_2.gif
    3_3.gif
    3_4.gif
    3_6.gif
    3_10.gif
    006.jpg
    007.jpg
    009_0.jpg
    centralnoe_kolco.jpg
    podlozhka_centralnogo_kolca.jpg
    zadniy_kryuk_0.jpg
    zaklyopka_zadnego_kryuka.jpg
    iskatel7777, Венн, Pakkenen та 4 іншим подобається це.
  2. Цікаві лоти

    1. Вашему вниманию оригинальный ремень производства послевоенного времени. Выпущенный в Чехословакии. П...
      1500 грн.
    2. орден Нахимова I степени, был Учрежден Указом Президиума Верховного Совета СССР от 3 марта 1944 года...
      2950 грн.
    3. Подсумок двухсекционный для обойм ВМ. Тип РИА-ранний РККА. Цвет бренди. Реконструкция по лекалам коп...
      1350 грн.
    4. Знак. Главное разведывательное управление.
      170 грн.
    5. Медаль за відвагу Матеріал – немагнітний нелегкий метал Дивіться інші мої лоти. Найбільший асортиме...
      95 грн.
  3. Demus

    Demus Leutnant

    Повідомлення:
    2.070
    Адреса:
    Запорожье, Украина.
    Ремень:
     

    Images:

    005.jpg
    7_1.gif
    polotno_remnya.jpg
    antykvar_2009 та Chuzhoy подобається це.
  4. Demus

    Demus Leutnant

    Повідомлення:
    2.070
    Адреса:
    Запорожье, Украина.
    Чертежи вещевой сумки м31, на 2 фото стенки самой сумки
     

    Images:

    Безымянный.png
    Стенки.png
    antykvar_2009 та Chuzhoy подобається це.
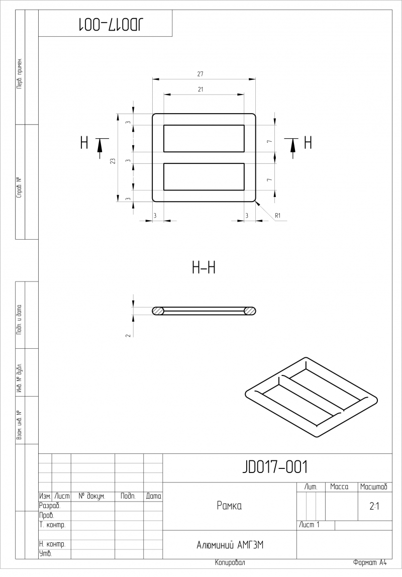
  5. Demus

    Demus Leutnant

    Повідомлення:
    2.070
    Адреса:
    Запорожье, Украина.
    Жаба гевер 98/к98:
     

    Images:

    jd004_006_zaklyopka.jpg
    jd004-002.jpg
    jd004-003.jpg
    jd004-004.jpg
    osnova_podvesa.jpg
    antykvar_2009 та Chuzhoy подобається це.
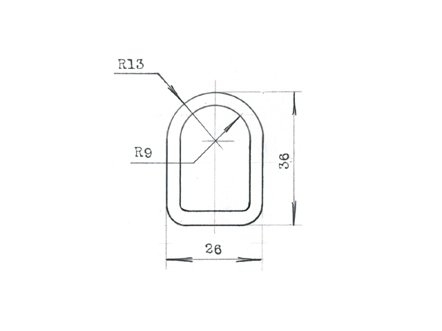
  6. Demus

    Demus Leutnant

    Повідомлення:
    2.070
    Адреса:
    Запорожье, Украина.
    И да, вот хляст пряги:
     

    Images:

    хляст пряги.gif
    antykvar_2009 та Chuzhoy подобається це.
  7. Demus

    Demus Leutnant

    Повідомлення:
    2.070
    Адреса:
    Запорожье, Украина.
    Чехол для складной лопаты:
     

    Images:

    Чехол на складную лопату.jpg
    antykvar_2009 та Chuzhoy подобається це.
  8. Demus

    Demus Leutnant

    Повідомлення:
    2.070
    Адреса:
    Запорожье, Украина.
    Чехлы для стандартной лопатки:
     

    Images:

    376581-c974c259ff5aad335c23600503d3b7ad.jpg
    perednyaya_stenka.jpg
    poyasnaya_petlya.jpg
    remeshok_s_pryazhkoy_0.jpg
    zadnyaya_stenka.jpg
    zastyogivayushchiy_remeshok_1.jpg
    antykvar_2009 та Chuzhoy подобається це.
  9. Demus

    Demus Leutnant

    Повідомлення:
    2.070
    Адреса:
    Запорожье, Украина.
    а-рама:
     

    Images:

    a-frame[1].jpg
    antykvar_2009 подобається це.
  10. Demus

    Demus Leutnant

    Повідомлення:
    2.070
    Адреса:
    Запорожье, Украина.
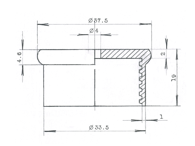
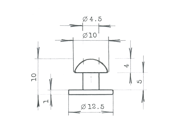
    Зацепы к ней, или к ранцу:
     

    Images:

    d_zacep.jpg
    d_zacep_razvyortka.jpg
    post-11074-0-01061900-1480408134.jpg
    zaklyopka-i-shayba.jpg
  11. Demus

    Demus Leutnant

    Повідомлення:
    2.070
    Адреса:
    Запорожье, Украина.
    Чехол для топора:
     

    Images:

    38302-50fe318d1b344737c8780dd7d9631354.jpg
    38356-72e501ce45c4930163cdd96f8dfd4078.jpg
  12. Demus

    Demus Leutnant

    Повідомлення:
    2.070
    Адреса:
    Запорожье, Украина.
    вот более норм качество фото:
     

    Images:

    ладно.jpg
  13. Demus

    Demus Leutnant

    Повідомлення:
    2.070
    Адреса:
    Запорожье, Украина.
    Фото оригиналов с Крымского форума, для понимания деталей чехла:
     

    Images:

    Саперный Топор Вермахта в Чехле 1940 (1).jpg
    Саперный Топор Вермахта в Чехле 1940 (3).jpg
    Саперный Топор Вермахта в Чехле 1940 (11).jpg
    antykvar_2009 подобається це.
  14. Demus

    Demus Leutnant

    Повідомлення:
    2.070
    Адреса:
    Запорожье, Украина.
    Ремни пехотного ранца, шайбу (закрутку) и допник можно с игрека
     

    Images:

    008_0.jpg
  15. Demus

    Demus Leutnant

    Повідомлення:
    2.070
    Адреса:
    Запорожье, Украина.
    Допник:
     

    Images:

    9_1.gif
    9_2.gif
    dopolnitelnyy_malyy_remen.jpg
    osnovnoy_remen_1.jpg
    antykvar_2009 подобається це.
  16. Demus

    Demus Leutnant

    Повідомлення:
    2.070
    Адреса:
    Запорожье, Украина.
    Выкройка сухарки, когда-то камрад какой-то выкладывал:
     

    Images:

    DSC01201.JPG
    DSC01202.JPG
    DSC01203.JPG
    DSC01204.JPG
  17. Demus

    Demus Leutnant

    Повідомлення:
    2.070
    Адреса:
    Запорожье, Украина.
    Погоны?Вот они!
     

    Images:

    Naplechn_k.jpg
    Pakkenen подобається це.
  18. Demus

    Demus Leutnant

    Повідомлення:
    2.070
    Адреса:
    Запорожье, Украина.
    Зацеп для "африканского" ремня, либо позднего с отверстиями для пряги в самом полотне:
     

    Images:

    006_0.jpg
  19. Demus

    Demus Leutnant

    Повідомлення:
    2.070
    Адреса:
    Запорожье, Украина.
    Чехол на флягу:
     

    Images:

    023b.jpg
    Лекало чехла1.jpg
  20. Demus

    Demus Leutnant

    Повідомлення:
    2.070
    Адреса:
    Запорожье, Украина.
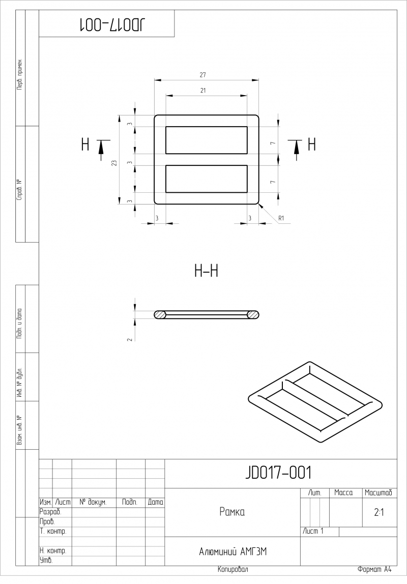
    Ремни на газбак:
     

    Images:

    Фото2.jpg
    ramka.jpg
    003_1.jpg
    5_3.gif
  21. Demus

    Demus Leutnant

    Повідомлення:
    2.070
    Адреса:
    Запорожье, Украина.
    крышка на флягу:
     

    Images:

    4_1.gif
  22. Demus

    Demus Leutnant

    Повідомлення:
    2.070
    Адреса:
    Запорожье, Украина.
    Ремни на флягу:
     

    Images:

    011.jpg
  23. Demus

    Demus Leutnant

    Повідомлення:
    2.070
    Адреса:
    Запорожье, Украина.
    Не ремни а карабин"
     
  24. Demus

    Demus Leutnant

    Повідомлення:
    2.070
    Адреса:
    Запорожье, Украина.
    Гетры:
     

    Images:

    getry.jpg
    remeshok_s_pryazhkoy.jpg
    zastyogivayushchiy_remeshok.jpg
  25. Demus

    Demus Leutnant

    Повідомлення:
    2.070
    Адреса:
    Запорожье, Украина.
    На изображениях плохо видно сами размеры... Если что-то надо, то напишите в личку
     
  26. Demus

    Demus Leutnant

    Повідомлення:
    2.070
    Адреса:
    Запорожье, Украина.
    Ремни термоса:
     

    Images:

    15_1.gif
    osnovnoy_remen.jpg
    Leonid_2009 подобається це.