Вопрос по ППШ.

Тема у розділі 'Реставрація знахідок', створена користувачем Igor 21, 14 сер 2023.

  1. Igor 21

    Igor 21 Oberst Клуб взаимопомощи

    Рейтинг:
    1
    Відгуків:
    2
    Лоти
      на продажу:
    0
      продані:
    4
    Повідомлення:
    4.373
    Адреса:
    Zapor сity
    Здравствуйте, камрады. При сборке "папаши" возникла проблема. Соединительная ось не защелкивается. Т.е. при сборке, когда собираю ось одну часть в другую, фланцы ложатся на "ушки", а разрезная чека не доходит до своего посадочного места. Что это может быть? Были разные папаши? Была разная ширина ствольной коробки?
     
    antykvar_2009, Лорд Грегори, gheka та 2 іншим подобається це.
  2. Цікаві лоти

    1. Эдельвейс на кепи. Горные егеря, Вермахт. --------- В отличном состоянии. Разницу между WH и BW - по...
      4000 грн.
    2. (в наявності 1 шт.)
      Німецька кокарда. Нуляча! Метал - цинк. На металі легкий поверхневий окисел.
      600 грн.
    3. (в наявності 17 шт.)
      Нарукавна нашивка (вінкель) - Gefreiter - WH. Ранній тип, виконаний в вигляді тісьми без підкладки.
      250 грн.
    4. Петлиці німецьких танкістів. Нулячі!
      2000 грн.
    5. Лесной коп . Немного помыты в мыльной воде . На некоторых есть года , клейма , обозначения : М 1/1...
      500 грн.
  3. valerka

    valerka General-major

    Рейтинг:
    3
    Відгуків:
    28
    Лоти
      на продажу:
    0
      продані:
    42
    Повідомлення:
    6.232
    Адреса:
    Україна. Кропивницький
    Вітаю!
    Вісь не від Вашого макету, вірно?
    Було пару варіантів осей.
    Можемо поміряти рами.
    Цікаво було б побачити фото рами.
     
    evgeny***, 663, RIHARD 77 та 5 іншим подобається це.
  4. Igor 21

    Igor 21 Oberst Клуб взаимопомощи

    Рейтинг:
    1
    Відгуків:
    2
    Лоти
      на продажу:
    0
      продані:
    4
    Повідомлення:
    4.373
    Адреса:
    Zapor сity
    Фото смогу выложить только после завтра. Мне эта ось досталась с макетом. Ваше мнение будет интересно. Я в папашах не особый спец.
     
    Лорд Грегори, valerka та gheka подобається це.
  5. valerka

    valerka General-major

    Рейтинг:
    3
    Відгуків:
    28
    Лоти
      на продажу:
    0
      продані:
    42
    Повідомлення:
    6.232
    Адреса:
    Україна. Кропивницький
    Все по написаному робили?
    Безымянныйа.jpg Безымянныйв.jpg
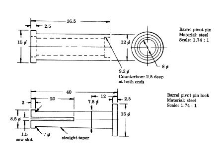
    Є креслення рами та вісі
    Снимок2.JPG Снимок1.JPG
    Моя вісь спрощеної конструкції
    3678955.jpg
    Заміряв раму, так як рама підгулявша а штангель китайський, то вийшло так:
    IMG_20230815_190833.jpg
    Майже відповідно кресленню.
     
    Otryta, Олег Грабовский та Igor 21 подобається це.
  6. Igor 21

    Igor 21 Oberst Клуб взаимопомощи

    Рейтинг:
    1
    Відгуків:
    2
    Лоти
      на продажу:
    0
      продані:
    4
    Повідомлення:
    4.373
    Адреса:
    Zapor сity
    Именно так и делал. Как написано в руководстве. Только вот точно не помню с какой стороны заводил соединительную ось. Завтра сделаю попытку №2 и, если что, сделаю фото.
     
    663, Олег Грабовский та valerka подобається це.
  7. valerka

    valerka General-major

    Рейтинг:
    3
    Відгуків:
    28
    Лоти
      на продажу:
    0
      продані:
    42
    Повідомлення:
    6.232
    Адреса:
    Україна. Кропивницький
    Як справи?
     
    Igor 21 та Otryta подобається це.
  8. Igor 21

    Igor 21 Oberst Клуб взаимопомощи

    Рейтинг:
    1
    Відгуків:
    2
    Лоти
      на продажу:
    0
      продані:
    4
    Повідомлення:
    4.373
    Адреса:
    Zapor сity
    Наконец добрался до пациента.
     

    Images:

    IMG_20230821_133101.jpg
    IMG_20230821_133110.jpg
    valerka подобається це.
  9. valerka

    valerka General-major

    Рейтинг:
    3
    Відгуків:
    28
    Лоти
      на продажу:
    0
      продані:
    42
    Повідомлення:
    6.232
    Адреса:
    Україна. Кропивницький
    Ця вісь стояла на макеті,чи поруч валялась?
    По цих фот видно,що діаметр отворів на вушках рами менший за діаметр шляпок вісі.
    Повинно бути так
    ppsh-41_oruzhie_pobedi.jpg
     
    Otryta та Igor 21 подобається це.
  10. Igor 21

    Igor 21 Oberst Клуб взаимопомощи

    Рейтинг:
    1
    Відгуків:
    2
    Лоти
      на продажу:
    0
      продані:
    4
    Повідомлення:
    4.373
    Адреса:
    Zapor сity
    Понятно. Придется рассверлить отверстия.
     
  11. valerka

    valerka General-major

    Рейтинг:
    3
    Відгуків:
    28
    Лоти
      на продажу:
    0
      продані:
    42
    Повідомлення:
    6.232
    Адреса:
    Україна. Кропивницький
    Подивіться ті креслення,що я давав, там є розміри, перевірте.
     
    Otryta, Igor 21 та A10A подобається це.
  12. Igor 21

    Igor 21 Oberst Клуб взаимопомощи

    Рейтинг:
    1
    Відгуків:
    2
    Лоти
      на продажу:
    0
      продані:
    4
    Повідомлення:
    4.373
    Адреса:
    Zapor сity
    Да, конечно. Это сделаю в первую очередь.
     
    valerka подобається це.
  13. 663

    663 ✠ Moderator

    Рейтинг:
    2
    Відгуків:
    12
    Лоти
      на продажу:
    0
      продані:
    17
    Повідомлення:
    7.598
    Адреса:
    Україна.
    Думається так що макет у вас збірний і частини від різніх варіантів ППШ. Сам кожух під розрізну вісь а рама з СМ під суцільну вісь і відповідно потаїв там немає (по фото мені так видається ).
     
    RIHARD 77, evgeny***, Моби_002 та 3 іншим подобається це.
  14. Igor 21

    Igor 21 Oberst Клуб взаимопомощи

    Рейтинг:
    1
    Відгуків:
    2
    Лоти
      на продажу:
    0
      продані:
    4
    Повідомлення:
    4.373
    Адреса:
    Zapor сity
    Так. Потаїв нема. Тільки отвори. Наскрізь.
     
    evgeny*** подобається це.
  15. Штурм

    Штурм General-major

    Рейтинг:
    5
    Відгуків:
    537
    Лоти
      на продажу:
    48
      продані:
    989
    Повідомлення:
    11.211
    Адреса:
    OSTWALL
    Значить ось должна быть цельной.
     
    restler09, RIHARD 77, Igor 21 та 2 іншим подобається це.
  16. evgeny***

    evgeny*** Oberleutnant

    Рейтинг:
    4
    Відгуків:
    127
    Лоти
      на продажу:
    0
      продані:
    206
    Повідомлення:
    1.818
    Адреса:
    Украина
    Ось цельная.12мдаметр.по средине проточка для фиксации
     
    Allour та Igor 21 подобається це.
  17. valerka

    valerka General-major

    Рейтинг:
    3
    Відгуків:
    28
    Лоти
      на продажу:
    0
      продані:
    42
    Повідомлення:
    6.232
    Адреса:
    Україна. Кропивницький
    В Ігоря на кожусі ствола немає отвору для фіксації вісі втулкою!
    На моєму фото такий отвір є.
    IMG_20230821_133101.jpg IMG_20230815_190833.jpg
     
    Otryta, RIHARD 77, Igor 21 та ще 1-му подобається це.
  18. Штурм

    Штурм General-major

    Рейтинг:
    5
    Відгуків:
    537
    Лоти
      на продажу:
    48
      продані:
    989
    Повідомлення:
    11.211
    Адреса:
    OSTWALL
    Лишний раз доказывает, что детали с разных вариантов. У него, на раме, подтаев, под разрезную ось, тоже нет.
     
    Allour, RIHARD 77, Igor 21 та 2 іншим подобається це.
  19. 663

    663 ✠ Moderator

    Рейтинг:
    2
    Відгуків:
    12
    Лоти
      на продажу:
    0
      продані:
    17
    Повідомлення:
    7.598
    Адреса:
    Україна.
    Значить мені не здалося. Тож міняйте раму або кожух на відповідну модель або робіть потаї, що легше.
    В загальному ППШ 41 не такий простий механізм як здається. У мене біля десяти різніх моделей ППШ 41. Якщо поставити собі на меті скласти правильний макет то потрібно добре тему ППШ пройти. Існує не меньше 5 прицілів (в мене точно стільки є) не рахуючи мушок. Фіксуючі механізми кожуха є різні, барабани чи рікжи під відповідний рік, затвори, приклади, антабки, тильники і т.д.
    Тож рекомендую взяти кілька фото з інтернету, вибрати той який у вас краще всього получиться та рівнятися на нього.
    Ще краще продовжіть свою тему до фінішу, консультуючись з форумчанами по правильній комплектації. В вашому випадку модель не є важкою і деталі зібрати легше ніж до ранньої.
     
    Дмитрий Северный, RIHARD 77, valerka та 2 іншим подобається це.
  20. Igor 21

    Igor 21 Oberst Клуб взаимопомощи

    Рейтинг:
    1
    Відгуків:
    2
    Лоти
      на продажу:
    0
      продані:
    4
    Повідомлення:
    4.373
    Адреса:
    Zapor сity
    Вопрос решен. Взято сверло 15.5 мм. Рассверлены по 2.5 мм вглубь отверстия. С внутренних сторон на буртиках оси и разрезной чеки зняты фаски под углом заточки сверла. Детали соединены. Всё идеально.