Ремонт МД Tesoro

Тема у розділі 'Послуги по МД', створена користувачем RaDevan, 24 січ 2013.

  1. suslik

    suslik Gefreiter

    Рейтинг:
    1
    Лоти
      на продажу:
    0
      продані:
    1
    Повідомлення:
    237
    доброй ночи ... подскажите плиззз а тумблера на тежона в наличии имеете ??? иль такое уязвимое место может уже решили другими подобными тумблерами которые имеются в продаже на радио - рынках у нас в УКРАИНЕ.
     
  2. Цікаві лоти

    1. Продам новые поисковые катушки к металлоискателю Vista Gold Gain с частотой 30 кГц. Снайперка Supe...
      8300 грн.
    2. Поисковая катушка в рабочем состоянии к Эскалибуру2.КАбель заменений на более прочний .Оболочка неб...
      3200 грн.
    3. Характеристика: · Матеріал: пластик/ прокладки: гума · Товщина місця посадки: 10 мм · Всі розміри вк...
      200 грн.
    4. (в наявності 10 шт.)
      Виготовлення котушок до металошукачів Квазар, Фортуна, Кощей, Гаррет, Квест, Текнетікс, Фішер, Нокта...
      1400 грн.
    5. Поисковая катушка Nell Attack к детектору Минелаб Exploer SE ,имеет ряд преимуществ в сравнении...
      3500 грн.
  3. suslik

    suslik Gefreiter

    Рейтинг:
    1
    Лоти
      на продажу:
    0
      продані:
    1
    Повідомлення:
    237
    а также плизз напомните цену за подлокотник в сборе на тежона ....
     
  4. suslik

    suslik Gefreiter

    Рейтинг:
    1
    Лоти
      на продажу:
    0
      продані:
    1
    Повідомлення:
    237
    ну и последний вопросик ---- возможно ли у вас получить ПОСЛЕ-гарантийную гарантию .... отправив робочий прибор на дегустацию . осмотр . ревизию .
     
  5. Голландець

    Голландець Obergefreiter

    Рейтинг:
    1
    Відгуків:
    1
    Лоти
      на продажу:
    0
      продані:
    3
    Повідомлення:
    137
    Панове підкажіть вашу ціну для 10х12 вайдскан для вакуеро.
     
  6. Продавец RaDevan

    RaDevan Oberfeldwebel

    Повідомлення:
    2.067
    Адреса:
    Kiev
    можно отправить, телефон на сайте tesoro-ukraina.com.ua
     
  7. suslik

    suslik Gefreiter

    Рейтинг:
    1
    Лоти
      на продажу:
    0
      продані:
    1
    Повідомлення:
    237
    я у вас покупал подлокотник .. и спросил о питании тесоро тежона ... хотел подключить автономный акум .. а прибор начал при подключении резко взвывать и возбуждаться... вы сказали что у тесоро тежона Двуполярное питание ... но посль замены подлокотника я увидел что средней точки там нету ... батарейки включены последовательно (оба холдера ).может мы НЕ правильно поняли друг друга .. ну дело такое .. по поводу диагностики пока подожду --- недавно асю 350 нагнул по полной ... а вот о форуме у вас на сайте тесоро Украина жду жду жду .. скажите когда ,,,????
     
  8. Продавец RaDevan

    RaDevan Oberfeldwebel

    Повідомлення:
    2.067
    Адреса:
    Kiev
    питание теджона именно двуполярное, у него на борту есть +8, 0, и +5,0,-5 Вольт, питание организовуется схематически , а не за счет элементов питания!
     
  9. suslik

    suslik Gefreiter

    Рейтинг:
    1
    Лоти
      на продажу:
    0
      продані:
    1
    Повідомлення:
    237
    оно формируется уже в блоке ... а в подлокотнике плюс, минус и просто перемычка с зеленого проводка между холдерами ...к блоку уходит 2 провода .... теперь понятно ... но почему от акума 12в он взвывает от самовозбуждения??
     
  10. Продавец RaDevan

    RaDevan Oberfeldwebel

    Повідомлення:
    2.067
    Адреса:
    Kiev
    Взвывает потому как смещается рабочая точка выходного УНЧ, он запитан от элементов питания!
     
  11. driverland

    driverland Oberleutnant

    Повідомлення:
    5.047
    Адреса:
    West Alpen
    не поможете, есть Компадре. Перестал реагировать на металл, реагирует, если только к катушке вплотную поднести, например гильзу. в любом режиме крутилк
     
  12. suslik

    suslik Gefreiter

    Рейтинг:
    1
    Лоти
      на продажу:
    0
      продані:
    1
    Повідомлення:
    237
    сначала определить над блок иль катушка ... ( подкинуть другую катушку ) а потом и ремонт проводить .. (скорей всего катушка иль провод катушки )...а вот блок ремонтировать тольк с навыками ... и самое главное ---- как данный девайс вышел со строя --- топил .. бил ... разбирал .. кидал ... горел ... грыз ... просто лежал ... и тд и тп ...
     
  13. driverland

    driverland Oberleutnant

    Повідомлення:
    5.047
    Адреса:
    West Alpen
    катушка не съемная.
    никак, им не пользовались, работал, потом год лежал на шкафу в корокбе, БЕЗ батарейки, потом приехали на природу, вставили новую батарейку, он работал, а через пару дней уже не реагирует. батареи меняли, Вакуеро от них же пашет.
     
  14. suslik

    suslik Gefreiter

    Рейтинг:
    1
    Лоти
      на продажу:
    0
      продані:
    1
    Повідомлення:
    237
    как катушка не снимается ...??? ... штекер катушки уязвим .. разберите его и посмотрите... а так у компадре нечему накрыться ...
     
  15. driverland

    driverland Oberleutnant

    Повідомлення:
    5.047
    Адреса:
    West Alpen
    ну так, не снимаеться, разъема нет как на Вакуеро или ХР или Терры, я разбирать не буду, спросил, может тот, кто создал тему, сталкивался, что может быть, я просто думаю, чинить или так продать, года 1.5 уже лежит.
     
  16. suslik

    suslik Gefreiter

    Рейтинг:
    1
    Лоти
      на продажу:
    0
      продані:
    1
    Повідомлення:
    237
    на офф сайт------ tesoro-ukraina.com.ua... там номера телефона в вкладке---Контакты ... вам там 100 процентов помогут ..
     
  17. driverland

    driverland Oberleutnant

    Повідомлення:
    5.047
    Адреса:
    West Alpen
    Спасибо, я родился и живу в России.
     
  18. Продавец RaDevan

    RaDevan Oberfeldwebel

    Повідомлення:
    2.067
    Адреса:
    Kiev
    разберите прибор, всего два самореза на передней панели, и посмотрите все ли провода от катушки подпаяны к плате! скорее всего там именно и есть Ваша проблема.
     
    driverland подобається це.
  19. driverland

    driverland Oberleutnant

    Повідомлення:
    5.047
    Адреса:
    West Alpen
    Понял, спасибо, отпишусь!
     
  20. Продавец RaDevan

    RaDevan Oberfeldwebel

    Повідомлення:
    2.067
    Адреса:
    Kiev
    ок, по большому счету в тесоро очень мало узких мест которые могут ломаться, но увы, холодную пайку проводов никто не отменял!
     
  21. Юра stalker

    Юра stalker Schütze

    Повідомлення:
    15
    Адреса:
    Украина
    Здраствуйте, у нас с товарищем одинаковые тесоро теджон с катушками нел торнадо. При роботе с приборами ближе чем 20 м подойти один к одному нельзя, приборы начинают пищать. Что можно сделать.
     
  22. Travesil

    Travesil Stabsfeldwebel

    Повідомлення:
    1.427
    Адреса:
    Украина
    driverland
    У меня на самодельном Тесоро было такое глянь в сторону транзисторов TX возможно сгорели хотя возможно схемы разные с моим.
    Сразу говорю нужно чтобы мастер проверил эту деталь я не спец только предпологаю.
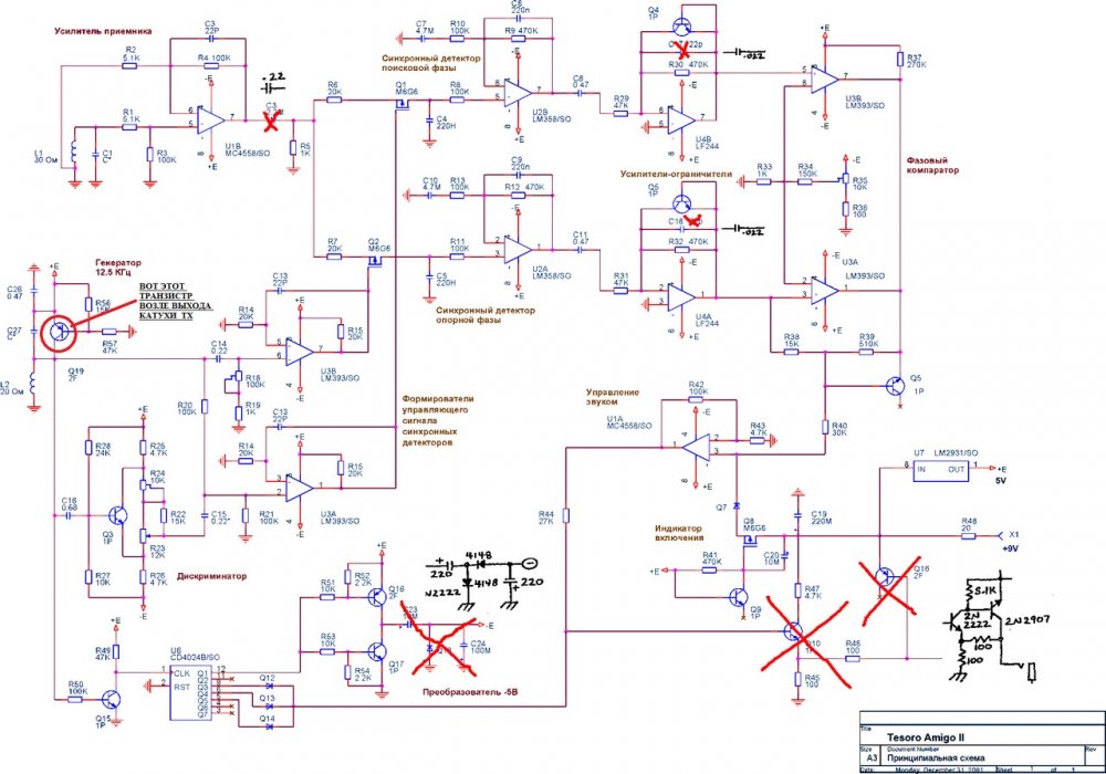
    Amigo.jpg
     
    Останнє редагування: 27 лип 2014
  23. Юра stalker

    Юра stalker Schütze

    Повідомлення:
    15
    Адреса:
    Украина
    Здраствуйте. Это известная проблема теджонов, в америке их отправляют на завод и там перенастраивают. С завода они идут 3 разных частот с каким то небольшим шагом по частоте. Нам с товарищем просто не повезло взять одинаковые. Я просто читал что тут ремонтируют гарантийные приборы, потому что у меня еще гарантия.
     
  24. Продавец RaDevan

    RaDevan Oberfeldwebel

    Повідомлення:
    2.067
    Адреса:
    Kiev
    дайте ссылку на ресурс с такой темой, я задам вопрос производителю, и попрошу разъяснений по такой настройке!
     
  25. Юра stalker

    Юра stalker Schütze

    Повідомлення:
    15
    Адреса:
    Украина
    Здраствуйте, нашел про эту проблему вот на этом сайте. Ниже вставил часть текста.
    http://iskateli.com.ua/ru/blog/tekstovye-obzory/69-polevye-ispytaniya-tesoro-tejon
    Один недостаток Tejón связан с помехами, и, возможно, никак не затронет вас, если только вы не будете работать в тесном контакте с другими детекторами Tejón. Аппараты, установленные в точности на одну и ту же частоту, будут иметь значительные перекрестные помехи. Мы обнаружили это только потому, что наши первые серийные образцы были настроены в точности на те же частоты, что наши предыдущие аппараты, которые мы стали одалживать поисковикам, работавшим вместе с нами. Стоило нам подойти ближе, чем на 20 ярдов (18 метров) друг к другу, как между аппаратами появлялись заметные шумы. Если окажется, что аппарат вашего партнера настроен на ту же частоту, что и ваш, один из вас может отправить свой аппарат обратно в фирму Tesoro, и там ее частоту немного изменят, чтобы избежать помех.
     
  26. Продавец RaDevan

    RaDevan Oberfeldwebel

    Повідомлення:
    2.067
    Адреса:
    Kiev
    ок, спасибо, завтра узнаю у производителя.