ППШ 41 как антураж (разных моделей).

Тема у розділі 'Реставрація знахідок', створена користувачем 663, 14 лют 2015.

  1. 663

    663 ✠ Moderator

    Рейтинг:
    2
    Відгуків:
    12
    Лоти
      на продажу:
    0
      продані:
    17
    Повідомлення:
    7.593
    Адреса:
    Україна.
    Верхнее отверстие в размер делал уже по месту, не хотелось просчитывать на вырезке, да и так ровнее и быстрее.
    Сделал отверстия под крепления. Если будет сварка а не заклёпки, отверстия послужат в сварочном деле для надёжности.
     

    Images:

    20170707_125631.jpg
    20170707_125657.jpg
    20170707_125711.jpg
    Jawist, ГеннадийВ, Killer та 5 іншим подобається це.
  2. Цікаві лоти

    1. Горнятко Перша Світовоа Війна.
      75 грн.
    2. Оригінал. Срібло ,15-лотова проба.На клеймі вказано рік - 1847. Віденська пробірна палата ( літера А...
      3375 грн.
    3. Пивна пляшка коричнева. Знахідка. Гарний стан. Висота - 20 см. Донце пляшки - 8 см.
      360 грн.
    4. Серебряна рюмка .“Кидушна” Царська 84 золотникова проба. Вага.12.2 г.
      1250 грн.
    5. Чайник солдатський РІА 7 л важкий мідний, полковий, все рідне(кришка, ручка), можна використовувати...
      2900 грн.
  3. 663

    663 ✠ Moderator

    Рейтинг:
    2
    Відгуків:
    12
    Лоти
      на продажу:
    0
      продані:
    17
    Повідомлення:
    7.593
    Адреса:
    Україна.
    Намушники на бис.
    Заготовки нагрел и бросил в воду (именно в воду). Материал был мягковат, хотя для макета был не плох. Но всё же решил подкалить. Воронить буду после установки.
     

    Images:

    20170708_081948.jpg
    20170708_081957.jpg
    20170708_082019.jpg
    20170708_082047.jpg
    20170708_082107.jpg
    20170708_082148.jpg
    Jawist, ГеннадийВ, Killer та 11 іншим подобається це.
  4. 663

    663 ✠ Moderator

    Рейтинг:
    2
    Відгуків:
    12
    Лоти
      на продажу:
    0
      продані:
    17
    Повідомлення:
    7.593
    Адреса:
    Україна.
    Продолжу с намушниками.
    Модель посложнее первой будет. Заминка в том что материал должен быть пружным, иначе вся работа на смарку.
    В наличии оригинальный намушник и уже одну копию делал. Признаюсь не легко далась а теперь ещё парочку нужно доделать.
    Снял размеры с оригинала. (размеры снимал по просьбе форумчанина в соседнюю тему).
     

    Images:

    20170620_191331.jpg
    20170621_151133.jpg
    20170621_151219.jpg
    20170621_151230.jpg
    20170621_151302.jpg
  5. 663

    663 ✠ Moderator

    Рейтинг:
    2
    Відгуків:
    12
    Лоти
      на продажу:
    0
      продані:
    17
    Повідомлення:
    7.593
    Адреса:
    Україна.
    Исходник. Ножовочное полотно старой закалки..
    Отметил и вырезал полоски шириной 32мм, это с запасом 2мм. Нарезал по длинне тоже с запасом около 10мм.
     

    Images:

    20170711_103907.jpg
    20170711_103928.jpg
    20170711_105202.jpg
    20170711_112113.jpg
    Jawist, ГеннадийВ, Барражер та 10 іншим подобається це.
  6. 663

    663 ✠ Moderator

    Рейтинг:
    2
    Відгуків:
    12
    Лоти
      на продажу:
    0
      продані:
    17
    Повідомлення:
    7.593
    Адреса:
    Україна.
    Сделал разметку в местах загиба и ослабил с двух сторон. Сделал угол загибов на глаз. Загибал под нагревом. Без нагрева просто треснет.
     

    Images:

    20170717_134831.jpg
    20170717_150449.jpg
    20170717_150501.jpg
    Jawist, ГеннадийВ, Барражер та 8 іншим подобається це.
  7. 663

    663 ✠ Moderator

    Рейтинг:
    2
    Відгуків:
    12
    Лоти
      на продажу:
    0
      продані:
    17
    Повідомлення:
    7.593
    Адреса:
    Україна.
    На прутке с нагревом предал форму заготовкам. Схватил двумя плоскогубцами с двух сторон и под нагревом обогнул заготовкой пруток.
    Отрезаться в размер будет чуть позже.

    Дело идёт медленно из за жары, просто лень работать. На все загибы ушло минут 30 и уже надоело.
     

    Images:

    20170725_082546.jpg
    20170725_082555.jpg
    20170725_082602.jpg
    20170725_082631.jpg
    Jawist, ГеннадийВ, Барражер та 7 іншим подобається це.
  8. 663

    663 ✠ Moderator

    Рейтинг:
    2
    Відгуків:
    12
    Лоти
      на продажу:
    0
      продані:
    17
    Повідомлення:
    7.593
    Адреса:
    Україна.
    Подгонку в размер делал в несколько этапов. Первый черновой. Сделал шаблон по оригинальному намушнику и перенёс формы на заготовки. Вырезал с грубого.
     

    Images:

    20170801_130438.jpg
    20170801_130729.jpg
    20170801_130811.jpg
    20170801_131029.jpg
    Jawist, ГеннадийВ, Барражер та 7 іншим подобається це.
  9. 663

    663 ✠ Moderator

    Рейтинг:
    2
    Відгуків:
    12
    Лоти
      на продажу:
    0
      продані:
    17
    Повідомлення:
    7.593
    Адреса:
    Україна.
    Из пивной литровой банки вырезал точный шаблон намушника. Шаблон очерчивать не буду а прямо наложу на заготовку и вырежу нужную форму. По скольку намушников пару штук то бумажный шаблон такого не переживёт. К тому же при вырезании заготовка будет опускатся в воду для охлаждения.
     

    Images:

    20170802_084804.jpg
    20170802_084834.jpg
    20170802_084857.jpg
    20170803_190750.jpg
    20170803_190834.jpg
    Jawist, ГеннадийВ, Барражер та 8 іншим подобається це.
  10. 663

    663 ✠ Moderator

    Рейтинг:
    2
    Відгуків:
    12
    Лоти
      на продажу:
    0
      продані:
    17
    Повідомлення:
    7.593
    Адреса:
    Україна.
    С грубого вырезал болгаркой. Хвосты под загиб не делал в размер, длинными удобней загибать, отрежу и подгоню по факту.
     

    Images:

    20170803_190906.jpg
    20170803_190920.jpg
    Jawist, ГеннадийВ, Airsoft та 10 іншим подобається це.
  11. 663

    663 ✠ Moderator

    Рейтинг:
    2
    Відгуків:
    12
    Лоти
      на продажу:
    0
      продані:
    17
    Повідомлення:
    7.593
    Адреса:
    Україна.
    Загиб зацепов.
    В месте загиба зажал ключом трубным (типа плоскогубцев) нагрел паяльной лампой и загнул простукивая молотком.
     

    Images:

    20170806_114618.jpg
    20170806_114642.jpg
    20170806_121327.jpg
    20170806_121602.jpg
    Jawist, ГеннадийВ, Killer та 8 іншим подобається це.
  12. 663

    663 ✠ Moderator

    Рейтинг:
    2
    Відгуків:
    12
    Лоти
      на продажу:
    0
      продані:
    17
    Повідомлення:
    7.593
    Адреса:
    Україна.
    Боковые прорези.
    С грубого вырезал дреммелем и довёл напильником. Напильник использую применяемый в заточке цепей у бензопил. Чуть дороже зато пилит как ему положено.
     

    Images:

    20170806_151455.jpg
    20170806_151517.jpg
    20170806_151538.jpg
    20170806_164526.jpg
    Jawist, ГеннадийВ, Killer та 5 іншим подобається це.
  13. 663

    663 ✠ Moderator

    Рейтинг:
    2
    Відгуків:
    12
    Лоти
      на продажу:
    0
      продані:
    17
    Повідомлення:
    7.593
    Адреса:
    Україна.
    Перед тем как делать верхнее отверстие, срезал лишнее в зацепах. Делал для того чтоб потом удобней было использовать напильник.
     

    Images:

    20170806_165659.jpg
    20170806_165600.jpg
    Jawist, ГеннадийВ, Killer та 6 іншим подобається це.
  14. БЛК

    БЛК General-major

    Рейтинг:
    3
    Відгуків:
    30
    Лоти
      на продажу:
    0
      продані:
    66
    Повідомлення:
    8.134
    Доброго времени суток. Практически заводское исполнение. Стану в очередь на получение.) С ув.
     
    ГеннадийВ та RIHARD 77 подобається це.
  15. 663

    663 ✠ Moderator

    Рейтинг:
    2
    Відгуків:
    12
    Лоти
      на продажу:
    0
      продані:
    17
    Повідомлення:
    7.593
    Адреса:
    Україна.
    Приветствую. К сожалению лишних не делаю, не было такой задачи . Да и честно говоря чего то нет особого рвения в работе над намушниками. Такая мелочь а взять негде, через нехочу только и делаю.
     
    Коромыслов, Tamerlan25, RIHARD 77 та 2 іншим подобається це.
  16. 663

    663 ✠ Moderator

    Рейтинг:
    2
    Відгуків:
    12
    Лоти
      на продажу:
    0
      продані:
    17
    Повідомлення:
    7.593
    Адреса:
    Україна.
    Верхнее отверстие.
    Сделал пропил дреммелем и поправил круглым напильником. (Сел акоммулятор у дрели)
    В общем плане исходники готовы. Дальше доработаю надфилями и наждачкой.
     

    Images:

    20170806_170249.jpg
    20170806_170310.jpg
    20170806_172104.jpg
    20170806_172146.jpg
    Коромыслов, Jawist, ГеннадийВ та 7 іншим подобається це.
  17. 663

    663 ✠ Moderator

    Рейтинг:
    2
    Відгуків:
    12
    Лоти
      на продажу:
    0
      продані:
    17
    Повідомлення:
    7.593
    Адреса:
    Україна.
    Следующий ход будет финишная обработка.
    По пречине что все намушники будут практически на одной стенке, решил их подгонять каждый независимо друг от друга для разнообразия. Да и так будет правильней. Сделал один и в коробку и.т.д.
    На фото видна явная разница намушников разных заводов.
     

    Images:

    4674010.jpg
    8712300.jpg
    post-40772-1293990203.jpg
    nampp (4).JPG
    Коромыслов, Jawist, ГеннадийВ та 4 іншим подобається це.
  18. 663

    663 ✠ Moderator

    Рейтинг:
    2
    Відгуків:
    12
    Лоти
      на продажу:
    0
      продані:
    17
    Повідомлення:
    7.593
    Адреса:
    Україна.
    Намушники на бис.
    Прошёлся надфилями и наждачкой. В переди подгон по месту если нужен будет, нагрев и в масло, воронение.
     

    Images:

    20170808_185854.jpg
    20170808_185914.jpg
    20170808_185935.jpg
    20170808_190051.jpg
    Коромыслов, Барражер, Jawist та 10 іншим подобається це.
  19. ALEKS81

    ALEKS81 Oberstleutnant

    Рейтинг:
    3
    Відгуків:
    17
    Лоти
      на продажу:
    0
      продані:
    29
    Повідомлення:
    4.823
    Адреса:
    Прилуки
    Я что-то не понял, у тебя что столько макетов разных модификаций ППШ будет?:eek:
     
    663 подобається це.
  20. 663

    663 ✠ Moderator

    Рейтинг:
    2
    Відгуків:
    12
    Лоти
      на продажу:
    0
      продані:
    17
    Повідомлення:
    7.593
    Адреса:
    Україна.
    Чуток есть :). Всё дело в том что большенство копаных ППШ попадаются до 1943 года включительно а там как на зло намушники сьёмные . По крайней мере у тех что мне попались.
    Вторая беда это приклады. Тяжело найти безнагельный приклад, таких модефикаций тоже парочка есть. Задача поставлена найти комплектующие, если не найти то смастерить .
     
    ГеннадийВ, БЛК, RIHARD 77 та 2 іншим подобається це.
  21. БЛК

    БЛК General-major

    Рейтинг:
    3
    Відгуків:
    30
    Лоти
      на продажу:
    0
      продані:
    66
    Повідомлення:
    8.134
    Приветствую. Пользуясь наставлениями автора темы запилил себе намушник. Одна сторона с первого раза не пошла, но на макет сойдёт. С ув.
     

    Images:

    DSC09588.JPG
    DSC09589.JPG
    DSC09591.JPG
    DSC09595.JPG
    DSC09597.JPG
    DSC09598.JPG
    DSC09599.JPG
    DSC09600.JPG
    DSC09601.JPG
    Jawist, ГеннадийВ, Killer та 4 іншим подобається це.
  22. 663

    663 ✠ Moderator

    Рейтинг:
    2
    Відгуків:
    12
    Лоти
      на продажу:
    0
      продані:
    17
    Повідомлення:
    7.593
    Адреса:
    Україна.
    Скромничаешь :).
    Загибы на выходе из круга отлично получились. Чёткие и резкие формы, супер.
     
    БЛК подобається це.
  23. БЛК

    БЛК General-major

    Рейтинг:
    3
    Відгуків:
    30
    Лоти
      на продажу:
    0
      продані:
    66
    Повідомлення:
    8.134
    Привет. Одну сторону два раза гнул. Прорези делал на заготовке до выгибания. С ув.
     
  24. 663

    663 ✠ Moderator

    Рейтинг:
    2
    Відгуків:
    12
    Лоти
      на продажу:
    0
      продані:
    17
    Повідомлення:
    7.593
    Адреса:
    Україна.
    Пробовал как то сначало делать прорези а потом загибать. Но в ослабленных местах прорезями гнулось больше чем в местах с цельным металлом. Получался не равномерный загиб. Что правда условия были спартанские.
     
    БЛК подобається це.
  25. БЛК

    БЛК General-major

    Рейтинг:
    3
    Відгуків:
    30
    Лоти
      на продажу:
    0
      продані:
    66
    Повідомлення:
    8.134
    Аналогично получилось.
     
    663 подобається це.
  26. 663

    663 ✠ Moderator

    Рейтинг:
    2
    Відгуків:
    12
    Лоти
      на продажу:
    0
      продані:
    17
    Повідомлення:
    7.593
    Адреса:
    Україна.
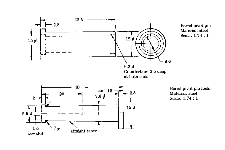
    Ось ППШ разрезная. Для начала схемы и общий вид для работы (из сети).
     

    Images:

    00081312_n10.gif
    3548_0-b.jpg
    3548_1-b.jpg
    3548_2-b.jpg
    Jawist, ГеннадийВ, RIHARD 77 та 2 іншим подобається це.