Panzerfaust

Тема у розділі 'Виготовлення уніформи та екіпірування', створена користувачем Oberleitenant, 27 вер 2011.

  1. Oberleitenant

    Oberleitenant Stabsgefreiter

    Повідомлення:
    1.233
    Адреса:
    Екатеринбург
    Всем привет! Комрады, видел довольно много фотографий с реконструкций, на которых бойцы вооружены "панцерфаустами". Собственно кто-нибудь занимался изготовлением модели панцерфауста? Если занимались, прошу поделиться информацией (размеры, из чего делали и тд)
    Заранее благодарен
     
    maaaaster подобається це.
    1. Качественное заводское изделие Материал - немагнитный нелегкий металл. Материал лезвия - сталь. Длин...
      700 грн.
    2. (в наявності 2 шт.)
      Пряга сталева вермахт з хлястиком . Гарна річ для реконструкції .
      569 грн.
    3. (в наявності 3 шт.)
      Алюминиевый складной столовый набор WW2 Немецкий уставной столовый набор (ложка-вилка) Репродукция...
      300 грн.
    4. Кламера крепления обруча каски Вермахт. Комплект 3шт. материал латунь.
      190 грн.
    5. (в наявності 3 шт.)
      Намушник 98К (репродукция) KORNSCHUTZBÜGEL 98K (REPRO) Качественная репродукция защиты мушки (намуш...
      250 грн.
  2. Adios

    Adios Gefreiter

    Рейтинг:
    0
    Лоти
      на продажу:
    0
      продані:
    1
    Повідомлення:
    44
    Адреса:
    Украина, Харьков
    http://depositfiles.com/files/c1ps64owm

    Собственно вот есть такой вот скан. В нем указаны размеры в масштабе 1:1.
    А также цвет и обозначения. Я думаю что имея размеры можно соорудить данный агрегат для начала хотя бы из жести.
     
    maaaaster подобається це.
  3. Anthrax

    Anthrax Feldwebel

    Повідомлення:
    860
    по этой ссылке бумажный панцерфауст. Кто-нибудь помогите чертежами пусково-прицельного приспособления, которое находится на трубе 60-тки или 100-ки. кляйн и 30-ка не надо.
     
    maaaaster подобається це.
  4. Anthrax

    Anthrax Feldwebel

    Повідомлення:
    860
    вот кое что:
     

    Images:

    ___________.jpg
    004.JPG
    007.JPG
    65d994195d74.jpg
    1342f7947432.jpg
    5стр.jpg
    IMG_3961.JPG
    чертёж панцерфауста.jpg
    Панцири.jpg
    Panzerfaust_2.jpg
    663, maaaaster, Теоретик та 7 іншим подобається це.
  5. Anthrax

    Anthrax Feldwebel

    Повідомлення:
    860
    ещё немного. попытка изготовить макет. Где-то случайно в сети нашёл.
     

    Images:

    07593327.jpg
    07593325.jpg
    56.jpg
    14.jpg
    18.jpg
    7д.jpg
    6д.jpg
    2л.jpg
    4.jpg
    20.jpg
    velomas, maaaaster та tankis подобається це.
  6. Anthrax

    Anthrax Feldwebel

    Повідомлення:
    860
    ещё добавлю. Помогите плиз с размерами этого элемента:
     

    Images:

    6o.jpg
    11.jpg
    10ит.jpg
    13.jpg
    30.jpg
    35.jpg
    37.jpg
    38.jpg
    22.jpg
    maaaaster подобається це.
  7. alex-kv

    alex-kv Stabsfeldwebel

    Рейтинг:
    3
    Відгуків:
    9
    Лоти
      на продажу:
    0
      продані:
    29
    Повідомлення:
    977
    Адреса:
    УКРАЇНА
    Извените у Вас граната не с этой модели фауста.
     
    663 та maaaaster подобається це.
  8. Rscorpion

    Rscorpion Oberstleutnant

    Рейтинг:
    3
    Відгуків:
    20
    Лоти
      на продажу:
    0
      продані:
    39
    Повідомлення:
    3.024
    Адреса:
    Західна Україна , перед горбами
    663, maaaaster та Kamrad Alex подобається це.
  9. Anthrax

    Anthrax Feldwebel

    Повідомлення:
    860
    ну и что? тут главное - размеры деталей, тема ведь не про один панцерфауст, а про разные. кому надо - тот поймёт. вместо того чтоб флудить подкинули бы размеров каких - нибудь.
     
  10. Rscorpion

    Rscorpion Oberstleutnant

    Рейтинг:
    3
    Відгуків:
    20
    Лоти
      на продажу:
    0
      продані:
    39
    Повідомлення:
    3.024
    Адреса:
    Західна Україна , перед горбами
    пожалуйста есть такие
    faust.jpg faustpatrone1.jpg

    Ну и немножко текстом
    Последовавшее за прототипом первое оружие семейства Panzerfaust, так называемый Faustpatrone Klein 30m, имел полный вес 3,2кг и полную длину 98,5см. Боеголовка имела 36см в длину и 10см в диаметре. Кумулятивный заряд имел вес 400 грамм и состоял из равной смеси ТНТ (тринитротолуол) и тригексогена. Ракетный заряд имел вес всего 54 грамма и полностью состоял из чёрного пороха. Направляющая трубка имела длину 80см, а диаметр - 3,3см (ранние модели - 2,8см). К боеголовке была присоединена деревянная ось со стабилизаторами, изготовленными из пружинящего металла, толщиной 0,25мм. Стабилизаторы сами устанавливались в нужное положение сразу после того, как боеголовка покидала направляющую трубу. Боеголовка разгонялась до скорости 28 м/с, имела дальность стрельбы, примерно, 30 метров и пробивала обычную сталь, толщиной до 140мм. Вскоре в конструкцию Faustpatrone был добавлен примитивный прицел (похожий на прицел Panzerfaust), который был фиксировано настроен на дальность 30 метров.
    Это оружие официально обозначалось также как Faustpatrone 1 или Panzerfaust 30 klein. Тем не менее, за ним закрепилось разговорное - Faustpatrone.
     
    663 та Shtirlitc подобається це.
  11. Anthrax

    Anthrax Feldwebel

    Повідомлення:
    860
    какой диаметр трубы и длина( и толщина стенки)? И кто-нибудь, помогите наконец размерами прицельного приспособления. На 30-ку я нашёл (выложил тут) а вот других моделей не могу нигде найти. Ведь имеют некоторые камрады копаные изделия. Помогите!!!!!!!!!!!!!
     
  12. alex-kv

    alex-kv Stabsfeldwebel

    Рейтинг:
    3
    Відгуків:
    9
    Лоти
      на продажу:
    0
      продані:
    29
    Повідомлення:
    977
    Адреса:
    УКРАЇНА
    Присоеденяюсь, хотелось бы узнать размеры фаустов 60 и 100 модели т.к. на Украине 30 Кляйн и 30 большой только встречаются.
    30 "Кляйн" диаметр трубы - 33mm, толщена стенок=2mm
    30 "большой" диам. трубы наруж.- 48mm, внутр.- 44mm, S=2mm
    60 - ?
    100 -?
    Также неизвестны размеры клавиш и опор для них.
    Могу подсказать по Кляйну, что бумажная гильза вышибного была чемто похожа на бумажный футляр советского термометра, также состояла из двух половинок вставляемых друг другу и это точно т.к. сам его разбирал.
     
    663, maaaaster та Anthrax подобається це.
  13. Matroskin

    Matroskin Gefreiter

    Повідомлення:
    53
    Адреса:
    Russland
    tankis та whiteman подобається це.
  14. alex-kv

    alex-kv Stabsfeldwebel

    Рейтинг:
    3
    Відгуків:
    9
    Лоти
      на продажу:
    0
      продані:
    29
    Повідомлення:
    977
    Адреса:
    УКРАЇНА
    Нето, это для дальних масовок. Хотя на нём Я разгляжу и со ста метров неточности.
     
  15. Matroskin

    Matroskin Gefreiter

    Повідомлення:
    53
    Адреса:
    Russland
    Ну, на бесптичье и *** - соловей.
     
    663 та Leibstandarte подобається це.
  16. Anthrax

    Anthrax Feldwebel

    Повідомлення:
    860
    "панцерфауст"-"Гретхен"(panzerfaust "Gretchen"), официально он именовался "Панцерфауст"30 (малый). Это была труба длиной 762мм, из которой выстреливалась куммулятивная граната массой 1,5 кг и диаметром 100 мм
    "Панцерфауст 30 (малый)" не имел прицельных приспособлений.

    Тип Панцерфауста 30m (малый) 30m 60m 100m 150m
    Общий вес (кг.) 2.7-3.2 6.9 8.5 9.4 6.5
    Длина (мм.) 985 1045 - - -
    Калибр гранаты (мм.) 100 149 149 149 106
    Эффективная дальность стрельбы (м.) 30 30 60 100 150
    Скорость полета гранаты (м/сек.) 28 45 45 60 85
    Бронепробиваемость (мм.) 140 200 200 200 280-320
     
    General Vlasov подобається це.
  17. Anthrax

    Anthrax Feldwebel

    Повідомлення:
    860
    Гранатомет Панцерфауст / Panzerfaust
    Боезаряд: кумулятивные гранаты массой до 3,0 кг, калибров 100 мм - Panzerfaust 30 kleine, 150 мм - Panzerfaust 30, Panzerfaust 60, 200 мм - Panzerfaust 100, 105 мм - Panzerfaust 150.



    Тактико-технические характеристики гранатомета Панцерфауст 30 кляйн / Panzerfaust 30 kleine:
    длина 1160 мм, калибр 100 мм, длина ствола 800 мм, масса 4,19 кг, прицельная дальность 30 м, начальная скорость полета гранаты 28 м/с, пробивная сила: броня 140 мм.



    Тактико-технические характеристики гранатомета Панцерфауст 30 / Panzerfaust 30:
    длина 1300 мм, калибр 150 мм, длина ствола 800 мм, масса 5,2 кг, прицельная дальность 30 м, начальная скорость полета гранаты 30 м/с, пробивная сила: броня 200 мм.



    Тактико-технические характеристики гранатомета Панцерфауст 60 / Panzerfaust 60:
    длина 1300 мм, калибр 150 мм, длина ствола 800 мм, масса 6,8 кг, прицельная дальность 60 м, начальная скорость полета гранаты 45 м/с, пробивная сила: броня 200 мм.



    Тактико-технические характеристики гранатомета Панцерфауст 100 / Panzerfaust 100:
    длина 1290 мм, калибр 200 мм, длина ствола 800 мм, масса 6,8 кг, прицельная дальность 100 м, начальная скорость полета гранаты 62 м/с, пробивная сила: броня 200 мм.



    Тактико-технические характеристики гранатомета Панцерфауст 150 / Panzerfaust 150:
    длина 1350 мм, калибр 105 мм, длина ствола 800 мм, масса 6,7 кг, прицельная дальность 150 м, начальная скорость полета гранаты 82 м/с, пробивная сила: броня 280-320 мм.
     
    General Vlasov подобається це.
  18. Anthrax

    Anthrax Feldwebel

    Повідомлення:
    860
    Panzerfaust (броневой (танковый) кулак) - немецкий гранатомёт однократного использования. Работы по созданию Panzerfaust начались ещё в 1942 году. Он должен был представлять собой увеличенную модель стоявшего на тот момент на вооружении Faustpatronа.

    Новая модель, как и её предшественник, была одноразовой. В конечном варианте Panzerfaust представлял собой стальную трубу длиной 1м и диаметром 5см. Прицел и спускатель располагались сверху. Прицеливание осуществлялось посредством совмещения прицела и верхней кромки боевой части. Пороховой заряд размещался внутри трубы. Боевая часть, располагавшаяся впереди, имела габариты: димаетр-15см, вес-3кг, из которых на взрывчатое вещество приходилось 0,8кг. При этом снаряд мог пробить стальной лист толщиной до 200мм. Труба имела надпись красного цвета: «Achtung! Feuerstrahl!» («Осторожно! Реактивная струя!»), предупреждающая об опасности нахождения позади используемого оружия. Согласно инструкции, позади стрелка должно быть свободное пространство не менее 10м., так как реактивная струя, вырывающаяся при выстреле, была очень опасной.

    Самым первым вариантом панцерфаустов был Panzerfaust 30 "Gretchen". Он был разработан в компании "Хуго Шнайдер AG" доктором Лангвайтером. В войсках он имел маркировку «Панцерфауст 30 малый» (kleine).

    Образец представлял собой трубу длиной 762мм, которая выстреливала кумулятивную гранату весом 1,5кг, и диаметром 100мм. Скорость гранаты составляла 30м/с. «Панцерфауст 30 малый» не имел прицельных приспособлений. Максимально эффективной была стрельба на расстояние до 30м, при этом граната была способна пробить 140мм лист брони, находившийся под углом в 30 градусов.

    С августа 1943 Panzerfaust 30 kleine стали заменять на Panzerfaust 30, который отличался большей по диаметру боевой частью и повышенной бронепробиваемостью. Число 30 означало максимальную дальность действия оружия в метрах.

    Самым распространённым стал гранатомёт модели Panzerfaust 60, производство которого началось с августа 1944 года. Диаметр трубы этой модели составлял уже 5см, а масса заряда увеличена на 134г. Был улучшен механизм пуска. Дальность действия составляла уже 60м.

    Следуещей версией в семействе Panzerfaust стал гранатомет Panzerfaust 100. Номинальная дистанция поражения увеличилась до 150м. Диаметр трубы составлял 6см. На модернизированном прицеле появились отверстия дистанций на 30, 60, 80 и 150м. Отверстия красились люминисцентной краской. В войска Panzerfaust 100 начал поступать с ноября 1944г.
     
    General Vlasov подобається це.
  19. alex-kv

    alex-kv Stabsfeldwebel

    Рейтинг:
    3
    Відгуків:
    9
    Лоти
      на продажу:
    0
      продані:
    29
    Повідомлення:
    977
    Адреса:
    УКРАЇНА
  20. Scavs

    Scavs Schütze

    Повідомлення:
    16
    Адреса:
    Latvia
  21. Scavs

    Scavs Schütze

    Повідомлення:
    16
    Адреса:
    Latvia

    Images:

    Untitled.jpg
    663 подобається це.
  22. alex-kv

    alex-kv Stabsfeldwebel

    Рейтинг:
    3
    Відгуків:
    9
    Лоти
      на продажу:
    0
      продані:
    29
    Повідомлення:
    977
    Адреса:
    УКРАЇНА
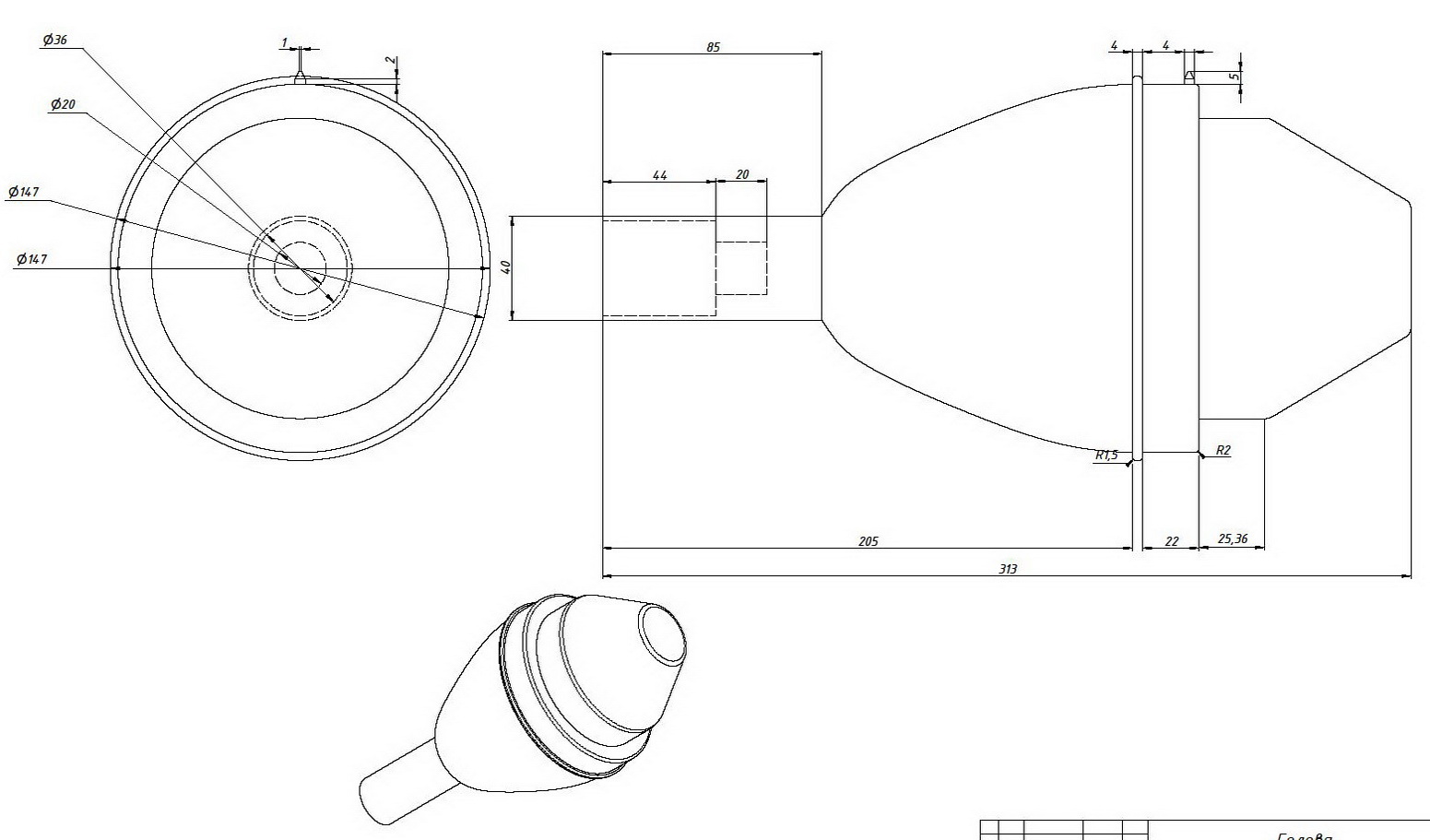
    Размеры по КЛЯЙНу:
    a) 1,85-2,5 mm Толщина стенок невсегда одинакова, но в среднем часто встречается 2 mm.
    b) 192 mm
    c) 101-102 mm
    d) 21 mm
    e) 60 mm
    f) 124 mm
    g) 11 mm
    h) 7 mm
    i) приблизительно 60 mm
    j) 41 mm
    k) приблизительно 17 mm
    l) 18 mm
    m) 78 mm
    n)30,7 mm
    Общая длина всей гранаты (вместе с оперением) 364 mm.
    Общая длина фауста (граната вставленая в трубу )1007 mm.
     
    663, tankis, Scavs та ще 1-му подобається це.
  23. Scavs

    Scavs Schütze

    Повідомлення:
    16
    Адреса:
    Latvia
    Большое спасибо, но скажите что вы имели в виду "оперением".
     
  24. Scavs

    Scavs Schütze

    Повідомлення:
    16
    Адреса:
    Latvia
    этим ?:rolleyes:
     

    Images:

    fff.JPG
  25. 050

    050 Gefreiter

    Повідомлення:
    53
    Подскажите что за цифры на трубе кляйна 505
     

    Images:

    01.jpg