МД для металлолома??

Тема у розділі 'Техніка для пошуку', створена користувачем Олекко, 3 гру 2016.

  1. Yarek

    Yarek Oberfeldwebel

    Рейтинг:
    2
    Відгуків:
    5
    Лоти
      на продажу:
    0
      продані:
    8
    Повідомлення:
    307
    Адреса:
    Тернопільщина.
    Зараз розвелось вже купа "шарашок" що мавпують оригінал, але школярі з радіо гуртка багато разів замовляли, поки що все було більш-менш нормально. Правда частенько підводить підстрєчник на 200 кіло, він явно китайської якості.
     
    J1981 подобається це.
  2. Цікаві лоти

    1. Характеристика: · Матеріал: пластик/ прокладки: гума · Товщина місця посадки: 10 мм · Всі розміри вк...
      200 грн.
    2. Поисковая катушка Nell Attack к детектору Минелаб Exploer SE ,имеет ряд преимуществ в сравнении...
      3500 грн.
    3. (в наявності 10 шт.)
      Виготовлення котушок до металошукачів Квазар, Фортуна, Кощей, Гаррет, Квест, Текнетікс, Фішер, Нокта...
      1400 грн.
    4. Вітаю, пропонується вашій увазі котушка 28RC + захист, для Деус 1. Стан по фото. Працює, акумулятор...
      4000 грн.
    5. Поисковая катушка в рабочем состоянии к Эскалибуру2.КАбель заменений на более прочний .Оболочка неб...
      3100 грн.
  3. Luftkurs

    Luftkurs Feldwebel

    Повідомлення:
    305
    Адреса:
    Черкасская об.
    Клепают для того что бы клепать и понюхать канифоли. По воздуху работают, что пожалуй по металлолому новичку сгодится. Но приблизив катушку к грунту, через мгновение охота с ним расстаться. И пока паяльник еще не остыл, то лучше него раз на то пошло собрать на тех же биениях. По затратам до ста грн. Есть проверенные схемы которые справляются не только с ломом. Для металлолома нет особой необходимости достигать больших глубин. Важно время и объем (результат), а для этого необходим надежный прибор который быстро реагирует на цель игнорируя мелкий мет. мусор.
     
    Wolfgrey подобається це.
  4. Олекко

    Олекко Stabsgefreiter

    Рейтинг:
    2
    Відгуків:
    4
    Лоти
      на продажу:
    0
      продані:
    6
    Повідомлення:
    581
    Адреса:
    богуслав украина
    Золотые слова!! Вот такой мд и хочу купить,для металлолома,без грамадной катушки,рамки,но гвоздь что-бы не видел.
     
  5. cer

    cer Oberst

    Рейтинг:
    5
    Відгуків:
    219
    Лоти
      на продажу:
    15
      продані:
    449
    Повідомлення:
    4.914
    Адреса:
    украина.хотин
    хочу Вас разочаровать , так не бывает , чтоб гвозди не виде и за не дорого . если не дорого то с рамой а дорого то с дискримом , как-то так ...
     
    Wolfgrey подобається це.
  6. cer

    cer Oberst

    Рейтинг:
    5
    Відгуків:
    219
    Лоти
      на продажу:
    15
      продані:
    449
    Повідомлення:
    4.914
    Адреса:
    украина.хотин
    не Игоревича творение случайно ?
     
    Cladotrix подобається це.
  7. Yarek

    Yarek Oberfeldwebel

    Рейтинг:
    2
    Відгуків:
    5
    Лоти
      на продажу:
    0
      продані:
    8
    Повідомлення:
    307
    Адреса:
    Тернопільщина.
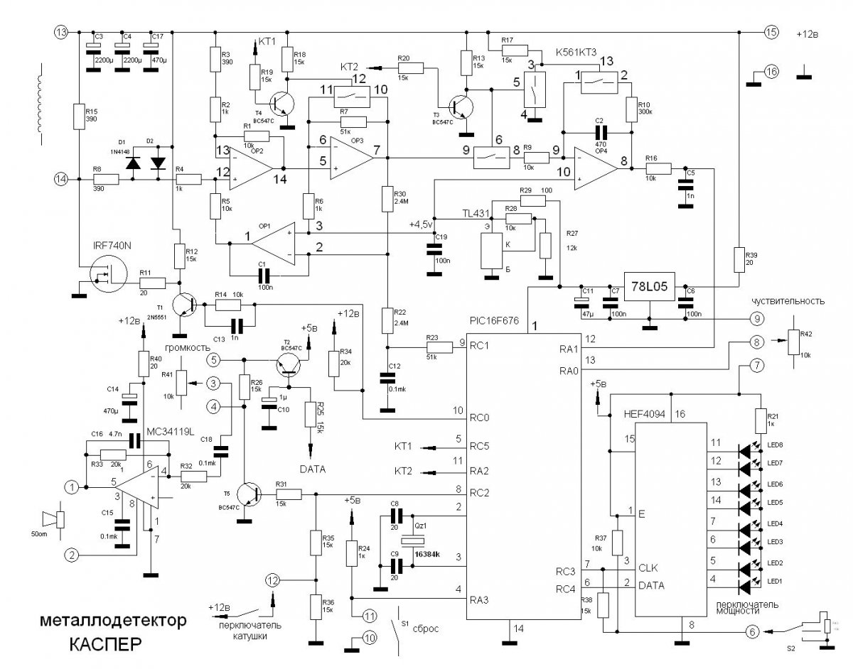
    Для пошуку металолому потрібний все таки хороший імпульсник. За останні роки я перепробував їх практично всіх. На мою думку, найкраще для цього підходить "Каспер". До війни ці набори клепали в Макеївці, але і зараз можна найти якщо добре пошукати. Його включав сантиметрів 30-40 над консервною банкою, натискав RESET і він вже менших предметів не бачив, при цьому чуйка зовсім не зменшувалась. Ось для ознайомлення його схема. metal_sxem.jpg
     
  8. Luftkurs

    Luftkurs Feldwebel

    Повідомлення:
    305
    Адреса:
    Черкасская об.
    Одних гвоздей будет мало.. Представляете тракторную бригаду периода рассвета, если можно так выразится; где никто не знал о цене за килограмм, и разновидности цветных металлов. Каждая сорванная гайка, шайба, шарики подшипники ,.. оставались в грунте или улетали в направлении разобранной кабины со звоном по стекле. Объекты размером в транспортерное звено, крышка от банки должны уже улавливаться прибором - только тогда будет интерес и комфорт в работе и не потеряете желание в дальнейшем в этой специфике. В противном случае остатки с электродов, стружка, проволока и не только как говорится ... и даже не дадут отстроить прибор. Если время терпит, и нет категоричности в импульсном мд посмотрите вариант в журнале Моделист конструктор №8 за 1998год. Для любителя паяльника с опытом по силу. Экономичный и шустрый, видел в работе на месте тракторной бригады. По звуку в 2-3 секунды определялся размер, мелочь опознавали и не копалась, именно была погоня за габаритом, что оправдывало все сполна.
     
    Yarek подобається це.
  9. Yarek

    Yarek Oberfeldwebel

    Рейтинг:
    2
    Відгуків:
    5
    Лоти
      на продажу:
    0
      продані:
    8
    Повідомлення:
    307
    Адреса:
    Тернопільщина.
    Luftkurs, глянув його схему, початок в №7 за 1998, з Вами повністю згідний, він заслуговує на певну увагу. Але це вже для добре підготовленого радіоаматора, а для початківців він занадто складний. Як на наш час, то використано багато морально застарілих деталей, та й потрібно багато часу щоб звірити печатку з схемою.
     
  10. Luftkurs

    Luftkurs Feldwebel

    Повідомлення:
    305
    Адреса:
    Черкасская об.
    Да. Он в двух номерах журнала; где то встречал эту же схему но усовершенственую, и оставил без внимания. В журнале (схема мд) размещение токо-проводящих дорожек соответствует схеме. Единственное спутаны местами две микросхемы если не ошибаюсь 4 с 5. При правильности деталей и аккуратном монтаже запускается сразу. А детали хоть и старые но встречаются часто. Собирал на км конденсаторах и качественных комплектующих частота стоит уверенно. Будет интерес - могу подсказать. С ув.
     
  11. rusivo

    rusivo Stabsgefreiter

    Повідомлення:
    160
    Адреса:
    Слобожанщина
    Было у меня тяжелое время лет 7 назад,жил в деревне,так совпало что случаем попал на сайт райберт,что то про металлоискатели читал,заинтересовало а потом и вовсе забыл..Далее у меня последовала череда всяких неприятностей, и плюс к этому меня увольняют с работы.Что делать??? В деревне работы ноль, влезть куда то в плохое не хотелось. Перебрав в голове все варианты я вспонил о сайте Райберт-металлоискатель блин -идея. Я к другу помчал,рассказал суть,он скривился и сказал то х..йня, лан я тогда сам куплю.При увольнении мне выплатили последнюю зарплату,как сейчас помню 1340грн, прочитал что металлолом лучше искать Клоном,а у Бомбера набор для сборки стоил то ли 200 или 300грн. Покупаю у него этот набор,мчу на радиорынок купить медный эмалированный кабель сечением 1мм, потом на обычный строймагазин покупаю 2 метра пропиленовой трубы под пайку,купил акум на 1,2а/ч . И пошел процесс сборки,катушку намотал на пластиковом ведре 10л,потом все плотно умотал изолентой,потрачено около 2 мотков ленты,соединил с прибором и запуск.В первое время тоже не очень понимал но потом приспособился,им махать не надо,его просто перед собой несете и все,от земли держите около 20см ,смотрите на шкалу - если до 3 делений то мелкое железо, если больше то крупняк. Скажу вкратце я жил за счет этого прибора год,копали даже зимой,копали на тракт.бригадах в бурьянах выше головы,вдоль ж/д дороги а именно в посадках так как туда в советское время кидали все - костыли,подкладки,обмедненная стальная провлока,медная проволока и много другого. Советую при копке металла собирать всю мелочь ,даже проволку,сначала кажется мало и фигня но потом поймете. Под прибор попадается много чего,главное с дуру не бить в средину,да и спешка нужна при ловле блох.
     
    Volocuga та pipuneskus подобається це.
  12. Wolfgrey

    Wolfgrey Moderator

    Повідомлення:
    6.400
    Адреса:
    Україна, Дніпро
    Да, хоть и не люблю переходить на личности в своей критике устройств, но меня, как ремонтника, рукоблудные изделия этого криворукого барыги реально достали.
     
    Cladotrix, Volocuga та cer подобається це.
  13. Wolfgrey

    Wolfgrey Moderator

    Повідомлення:
    6.400
    Адреса:
    Україна, Дніпро
    Для "поэкспериментировать" схема интересная, но всё же пока достойного конкурента импульсникам и балансникам ни одна из разработок на биениях не составила.
     
    Cladotrix та cer подобається це.
  14. Wolfgrey

    Wolfgrey Moderator

    Повідомлення:
    6.400
    Адреса:
    Україна, Дніпро
    Черговий "клон" Кощеїв. Трошки досконаліший ніж ТрекерРІ, але до 5И не дотягує. Одним словом, переспівки безсмертного творіння Колоколова та Щедріна. Більш ніж за 10 років нічого іншого ніхто не запропонував, що безумовно свідчить про високу якість початкової розробки. Але лідером у цій лінійці безумовно є "Кощей 5И" за рахунок авторської прошивки. Вкрасти її так і не змогли.
     
    Cladotrix та Volocuga подобається це.
  15. Yarek

    Yarek Oberfeldwebel

    Рейтинг:
    2
    Відгуків:
    5
    Лоти
      на продажу:
    0
      продані:
    8
    Повідомлення:
    307
    Адреса:
    Тернопільщина.
    Wolfgrey, від Кощей 5-И відмовився років 5 назад по єдиній причині, в ньому по любому поводу (а часом і без повода) злітала прошивка. Перепрошивка у "Кулібіна" у Хмельницькому коштувала 100 гривень + пересилка туди і назад. А у всьому іншому я з Вами згідний.
     
  16. cer

    cer Oberst

    Рейтинг:
    5
    Відгуків:
    219
    Лоти
      на продажу:
    15
      продані:
    449
    Повідомлення:
    4.914
    Адреса:
    украина.хотин
    по моему самий єконом варіант це клон АВР з катушкою 0,5-1 метр . ціна якість оптимальні .
     
  17. Wolfgrey

    Wolfgrey Moderator

    Повідомлення:
    6.400
    Адреса:
    Україна, Дніпро
    Ну що вам сказати - може, ви його якось не так використовували, або то був не такий "Кощей"? Через мої руки пройшло більш ніж півсотні кощеєвських плат з оригінальними прошивками, вони й зараз, деякі вже років по 7, без упину пашуть у полях як основна частина глибинників "Варіант 5И-01, "Вріант 5И-02". Там внесені деякі зміни, у тому числі кардинальні - у інженерну частину прошивки, але авторське ядро незмінне (я туди теж доступу не маю, і слава богу). І не було жодного випадку зльоту прошивки. Жодного! Більше того, права на авторську прошивку версії 1.09 продано виробнику - московській фірмі "Мастеркит", і більше ніхто її не має і перепрошити, не дай бог злетить, не зможе. А от ваша згадка за Хмельниький трошки прояснює питання - це наслідок певної "жаби" авторів приладу (точніше, одного з них, прізвище умисно не озвучую), який вирішив іще трохи підзаробити на "п'ятірці", і написав типу нову прошивку версії 1.12 та почав втюхувати її через хмельницьких "умільців", обійшовши таким чином умови проданого патенту. Але щось там не пішло, і, як наслідок, тема здохла. Можливо - саме через нестабільність нової прошивки.
     
    Volocuga подобається це.
  18. Yarek

    Yarek Oberfeldwebel

    Рейтинг:
    2
    Відгуків:
    5
    Лоти
      на продажу:
    0
      продані:
    8
    Повідомлення:
    307
    Адреса:
    Тернопільщина.
    Wolfgrey, Якщо потрібні Хмельницькі координати, скину в лічку, але тема зараз стала зовсім не актуальна бо радіо магазини встановили ціну захмарну. В Тернополі біля 1500 гривень, самий примітивний Кощей 5-И, це дотягує до 20 шт. наборів К158. А пенсіонеру до хліба часом хочеться і чарку перехилити, та й кусочок масла з ковбаскою не завадить. Всі набори глючних Кощеїв купував у Київській "фірмі" (Нікс Електронікс). Знов таки це не для анти реклами, хай їм Бог помагає.
     
  19. Wolfgrey

    Wolfgrey Moderator

    Повідомлення:
    6.400
    Адреса:
    Україна, Дніпро
    Та навіщо вони мені - я їх у мережі і так бачив і чудово їх знаю. А ціна на набір ВМ8042 дійсно захмарна - стартує від 1200грн. і майже до 2000 - усе залежить від жадібності продавця. При том, що у "авторській комплектації" можливості даного виробу використовуються відсотків на 40-50. Твердження виробника, що запустити цей прилад під силу навіть новачку - теж не зовсім правда. Прилад, безумовно, запрацює. А от як - то вже зовсім інше питрання. Там є маса тонких нюансів, які непрофесіонал просто не може врахувати - а потім читаємо у мережі, що "Кощей 5И" - лайно, яке ні на що не здатне, і т.п. Просто фішка у тому, що цей набір дійсно налаштований, як іграшка для самостійної збірки - тобто вона пробачить більшість ляпів непрофесійної збірки, і худо-бідно працюватиме у будь-якому випадку. З цієї парадигми і налаштвоані заводські параметри. Налаштування ж цього приладу на максимальні можливості любителям просто не під силу,
     
    Yarek подобається це.
  20. роман25

    роман25 Stabsfeldwebel

    Рейтинг:
    0
    Лоти
      на продажу:
    0
      продані:
    1
    Повідомлення:
    1.263
    Адреса:
    чернівецький
    И так на чому остановились клон пи чи кощей 5 и ?
     
  21. Wolfgrey

    Wolfgrey Moderator

    Повідомлення:
    6.400
    Адреса:
    Україна, Дніпро
    Если только для металлолома - естественно, Клон. Зачем платить больше?
     
    роман25 подобається це.
  22. роман25

    роман25 Stabsfeldwebel

    Рейтинг:
    0
    Лоти
      на продажу:
    0
      продані:
    1
    Повідомлення:
    1.263
    Адреса:
    чернівецький
    Я не розумию ризници миж клон и кощей допустим з 50 см катушкув яка ризниця по глибини на каску будет и який краще дрибне витсикаэ проще и стабильнише в роботи нут так шоб мозг не виносив?
    Плюс кощея озвучка мени краща чи я помиляюсь
     
  23. Wolfgrey

    Wolfgrey Moderator

    Повідомлення:
    6.400
    Адреса:
    Україна, Дніпро
    Почитайте мої пости трошки вище. У "Кощея 5И" набагато більший потенціал, тобто з нього можна зробити прилад, який за характеристиками не поступається ПульсеСтару - але саме зробити, бо якщо просто зібрати заводську плату згідно інструкції - вийде той же "Клон", а може й гірше. Але якщо мова йде не про розкопки траншей і бліндажів, а лише про збір металобрухту на місцях колишніх МТС - можливостей "Клону" для цього більше, ніж досить. Мені теж звук "Кощея" подобається більше - але то справа смаку, ну й звички - мої "Варіанти" мають озвучку "Кошея", а своє завжди подобається більше. Врешті решт - вам же метал збирати, а не музику слухати, для музики нічого кращого за МП3 плеєр немає.
     
    роман25 подобається це.
  24. роман25

    роман25 Stabsfeldwebel

    Рейтинг:
    0
    Лоти
      на продажу:
    0
      продані:
    1
    Повідомлення:
    1.263
    Адреса:
    чернівецький
    Дякую читав но мозги всьо не переварують вже .просто николи небачив ипульсника в живу а Ваш Вариант то вже глубиник щитаэться.?
    Так. Напевно клон буде семе те для металолому з 50 см катушков лиш чи який краще на диодах чи з екранчиком ?
     
  25. Wolfgrey

    Wolfgrey Moderator

    Повідомлення:
    6.400
    Адреса:
    Україна, Дніпро
    "Вариант 5И-02" - це глибинник, що розроблювався для пошукових загонів. Для металолому він задорогий, та й для його використання потрібно щонайменше 2 чоловіка.
    Особисто я екранчиків не люблю - на сонці вони сліпнуть, на морозі замерзають, а в походах можуть розбитися. Світлодіоди надійніше. Єдиний плюс екранчика - наявність індикації поточного заряду батареї, але її краще завжди тримати зарядженою, щоб не перейматися індикацією.
     
    Останнє редагування: 25 лют 2017
    cer та роман25 подобається це.
  26. роман25

    роман25 Stabsfeldwebel

    Рейтинг:
    0
    Лоти
      на продажу:
    0
      продані:
    1
    Повідомлення:
    1.263
    Адреса:
    чернівецький