Квазар АРМ.

Тема у розділі 'Техніка для пошуку', створена користувачем platon.71, 21 бер 2015.

  1. Geber

    Geber Oberleutnant

    Рейтинг:
    2
    Відгуків:
    8
    Лоти
      на продажу:
    0
      продані:
    16
    Повідомлення:
    1.911
    Адреса:
    Харьков
    Не многовато ли сопротивление подобрали? У меня динамик стоял 8 ом 0.5 вата, если на всю выкрутить то орёт на весь лес.
     
    Arch та Вован Чик подобається це.
  2. Цікаві лоти

    1. Пропоную металодетектор виробництва США Garrett Euro Ace в чудовому стані. Працює штатно без будь-як...
      8000 грн.
    2. Металодетектор Fisher F75 Special Edition Black - це мікропроцесорний, професійний прилад, призначен...
      54001 грн.
    3. Плата для самостоятельной сборки всем известного балансого (IB) металлоискателя Квазар АВР, Quasar A...
      190 грн.
    4. Оригинальная крышка батарейного отсека для Garrett ACE 150, 200, 250, 300, 350, 400 Деталь абсолютн...
      640 грн.
    5. Плата для самостоятельной сборки всем известного импульсного микропроцессорного металлоискателя Trac...
      160 грн.
  3. Arch

    Arch Stabsfeldwebel

    Повідомлення:
    1.144
    Адреса:
    Украина
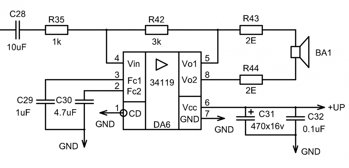
    Проверьте обвязку МС34119 и все что по пути до динамика - провода/разьем. Должно быть так
    upload_2020-9-28_12-26-57.png

    Динамик должен быть каачественный на 1 Вт сопротивление лучше 50 Ом.
     
  4. Arch

    Arch Stabsfeldwebel

    Повідомлення:
    1.144
    Адреса:
    Украина
    Допустимый без компенсатора 500 mV, дальше увеличивается количество ложняков и падает дальность, больше 1000 уже совсем плохо , идеальный 150-300 mV, чем меньше тем конечно лучше. Компенсатор вытягивает и с 1200 mV , но на мусоре это будет не хорошо.
     
    Иван1974, batona та Zaporojez подобається це.
  5. dimaboroda

    dimaboroda Schütze

    Повідомлення:
    5
    Адреса:
    Хмельницкий
    Добрый день а как влияет направленность векторов у меня в но-компенсатор вектора в разние стороны ?
     
  6. ru$l@n

    ru$l@n Feldwebel

    Повідомлення:
    766
    Адреса:
    Dnipro
    по феншую в одну сторону, а на практике пофиг, аб разбаланс в норме был, не заморачивайтесь
     
    Иван1974 та sos1234 подобається це.
  7. Roman7570

    Roman7570 Stabsgefreiter

    Повідомлення:
    257
    Адреса:
    улица любая, забор - зеленый
    "И как скоро ждать Quasar-F3?"

    "Осень уже проехали, к весне, вероятно..."
    QF3.jpg
    Автор рассказал о новом Квазаре, пока без подробностей. Ждем весны.
     
    Myagkor, Иван1974, Arch та 3 іншим подобається це.
  8. Будулай58

    Будулай58 Stabsgefreiter

    Рейтинг:
    2
    Відгуків:
    6
    Лоти
      на продажу:
    0
      продані:
    7
    Повідомлення:
    116
    Адреса:
    Радомышль
    Наверное одной весной не обойтись. А находок все меньше и меньше да и то в таком плачевном состоянии... Что искать будем?
     
  9. Arch

    Arch Stabsfeldwebel

    Повідомлення:
    1.144
    Адреса:
    Украина
    Помню весну 2014-го, все так же было, старая песня, "уже все выкопали, одни какалики", "мест не битых уже не найдешь". А зайдите сейчас на ФБ и посмотрите что народ копает даже с деловеровскими клюшками. Сам лично в 2018 нашел два не битых места, от слова вообще, находки тупо сверху были. В этом году впервые начал ездить и по войне, на тех местах где по словам "все выбито, делать нечего" было найдено много интересных находок, я был в шоке насколько копатели по войне слабо умеют пользоваться приборами, привыкли собирать по верхам.
     
    us7ign, batona, Der Pirat der Felder та 4 іншим подобається це.
  10. Arch

    Arch Stabsfeldwebel

    Повідомлення:
    1.144
    Адреса:
    Украина
    Наконец то 128×64 пригодятся от распаяных фортун)
     
    Shurik22 та Volt_45 подобається це.
  11. skidbladnir

    skidbladnir Hauptmann

    Повідомлення:
    3.305
    Адреса:
    Worldwide
    Кстати - вопрошающие о том какие значения векторов автор считает правильным, могут посмотреть эти самые значения на фото нового прибора.
     
    FARfOR, Иван1974, Roman7570 та 2 іншим подобається це.
  12. polop

    polop Obergefreiter

    Повідомлення:
    334
    Помогите со звуком.Поменял микросхему -прозвонил на всех ногах все норм.Что может быть?Вроде все детали пропаяны нормально.Может куда динамик на прямую подпаять - чтоб проверить....кто что скажет .Пожалуйста.
     
  13. polop

    polop Obergefreiter

    Повідомлення:
    334
    Впаял динамик напрямую после микросхемы через резисторы на 5 и 8 ноги- звук есть но очень тихий - еле слышно.Прошу помощи посоветуйте че нибудь....)
     
  14. polop

    polop Obergefreiter

    Повідомлення:
    334
    Взял динамик о компа(примерно ват 3-4) и через усилитель РАМ 8403 подсоединил к 8 и 5 ноге микросхемы.Звук в динамике громче но все таки еще слабоват.........
     
  15. polop

    polop Obergefreiter

    Повідомлення:
    334
    Всем спасибо.Выключил с тихим звуком.Полежал несколько часов - включил звук ОРЕТ как положено.В чем была проблема так и не понял - но все работает как нужно.(и такое бывает).
     
  16. Arch

    Arch Stabsfeldwebel

    Повідомлення:
    1.144
    Адреса:
    Украина
    Я думаю что лучше отправить к мастеру что бы осмотрел прибор, чудес не бывает, знающий человек найдет причину за 15 мин.
     
    Roman7570 подобається це.
  17. gvv2309

    gvv2309 Oberstleutnant

    Повідомлення:
    3.494
    Адреса:
    Київ
    Ну что начнем!
    Раз вы начали опять на птичем языке говорить,я постараюсь тоже на птичем языке только немного на другом.
    Птицы ведь тоже разные бывают.
    Для начала вот вам ссылка с даташитами на микросхему.
    https://datasheetspdf.com/datasheet/search.php?sWord=34119
    От даташитов будем плясать.
    И так схема ваша ГАВНО!
    Там есть ошибки ,да и автор схемы рисовать не умеет.
    1.png
    Какой в жопе 10 микрофарад,если на всех схемах 0,1 мкф стоит.
    Смотите схемы и даташиты.
    конденсатор.png
    А нахрена тами 2 резистора рисовать?
    рез1.png
    Если сильно хочется можно один нарисовать только с бОльшим сопротивлением
    upload_2020-9-28_12-26-57.png
    А нахрена они там вообще нужны?
    2.png
    что даташит пишет?
    Если питание девайса=3 в сопротивление нагрузки 16 ом мощность 55 мв
    Если питание девайса=6 в сопротивление нагрузки 32 ом мощность 250 мв
    Если питание девайса=12 в сопротивление нагрузки 100 ом мощность 400 мв

    выходное сопротивление.png
    Даже на китайские девайсы есть эти данные.
    по данной схеме не понятно какое питание заходит на схему но скорее в пределах3-5 вольт.
    Значит динамик должен быть в таком пределе.
    Нахрена городить огород и греть резисторы.
    Что в наше время динамики купить нельзя?

    Вывод:
    Схему наогородили из чего попало,не разобравшись.
    Слепили ,пищит ,и ладно.
    А нормальный даташит не смотрели.
    Такая схема должна использовать 2 питания,но один вход посадили на землю,ну слава Богу работает как попало и ладно!
    Посмотрие как Моторолеры организовали схему с одним питанием.
    ну вот как то так.
     
    Останнє редагування: 13 жов 2020
    us7ign подобається це.
  18. gvv2309

    gvv2309 Oberstleutnant

    Повідомлення:
    3.494
    Адреса:
    Київ
    Отчаянный Вы парень!
    Вот так на выход микросхемы паять не понятно что.
    На любом динамике написано его сопротивление.
    Если не написано то берем тестер и меряем.
    Если нет ни того ни другого,не пихаем динамик никуда.
    А перед этим пытаемся найти такой параметр.
    Выходное сопротивление усилителя.
    Там вам срау скажут что можно к нему подключать,а что нельзя.
    Это Вам повезло ,что вы усилитель не угробили,скорее всего у Вас динамик был с высоким сопротивлением.

    А попадись Вам 4 ОМ и кто его знает чем бы все закончилось.
     
  19. gvv2309

    gvv2309 Oberstleutnant

    Повідомлення:
    3.494
    Адреса:
    Київ
    Вот что бы понятнее было как включается Моторола
    3.jpg
    А на что похож огород в родной схеме?
    На "От балды".
     
  20. gvv2309

    gvv2309 Oberstleutnant

    Повідомлення:
    3.494
    Адреса:
    Київ
    Ну я еще могу принять отмазку,что деталей в схеме меньше,значит цена ниже,траха мало.
    Так тут же деталей одинаково,ну на 2 кондера больше,но на один резик меньше.
    Только впаять их по другому надо,вот и все!
    А так усилитель скорее всего возбуждается и живет своей жизнью,вот и пихали туда что попало,лишь бы работало.

    upload_2020-9-28_12-26-57 (1).png 11.png
     
  21. polop

    polop Obergefreiter

    Повідомлення:
    334
    Спасибо.)))) Да я не совсем отчаянный.Там на входе УНЧ 6 нога питания 7.5 вольт.Динамики я брал от 32- до 50 оМ.Ниже не рискнул - понимая что спалю микросхему.Я знаю что чем ниже сопротивление динамика тем больше мощьность - микросхема 250 мв....В общем все работает - я так и не понял в чем была проблема -может просто где-то был плохой контакт...
     
  22. Будулай58

    Будулай58 Stabsgefreiter

    Рейтинг:
    2
    Відгуків:
    6
    Лоти
      на продажу:
    0
      продані:
    7
    Повідомлення:
    116
    Адреса:
    Радомышль
    Я почему то вспомнил самопальные телефоны с АОН, и динамики на 8 ом которые там стояли-и ведь работали! А так конечно сгорит, потому что китайское фуфло. Так же как и стабилизаторы и пр. Даташиты к этому мусору применять не совсем корректно
     
  23. Arch

    Arch Stabsfeldwebel

    Повідомлення:
    1.144
    Адреса:
    Украина
    Вот вы сидели в курилке, зачем сюда пришли? Мало сообщений набили? Хуже дурака только дурак с инициативой, если не имеете отношения к прибору зачем позориться? Откройте схему прибора и покурите форум зачем так делалось? Даже не хватает мозгов понять элементарное зачем два резистора по 2 Ом на выходе.
     
  24. Arch

    Arch Stabsfeldwebel

    Повідомлення:
    1.144
    Адреса:
    Украина
    Вывод простой, если на смене в 5 утра нечем заняться перед там как писать чушь нужно хотя бы открыть полную схему устройства и вникнуть что и зачем, а потом пытаться умничать. Реальность совсем другая чем пишут в даташитах.
     
  25. gvv2309

    gvv2309 Oberstleutnant

    Повідомлення:
    3.494
    Адреса:
    Київ
    Я вам схемы,красным объяснил как и что,даташиты вам почитал,
    Так расскажите зачем 2 резистора по 2 ома ставят.
    Не известно писали в теме о резисторах или нет,не известно кто мог об этом писатл,
    Может человек паяльник вчера увидел и выучил 2 модных слова -"кондер и сопротивитель"
    и уже в электронщики записался.
    Что вы мне ленина на финлянском вокзале устраиваете.
    lenin-4.jpg
    Если вы электронщик,давайте поговорим.

    А почему это я схему не курил,я же по вашей схеме красным рисовал.
    И да фильтруйте базар,что это вы взяли ,как только не так как у вас то сразу дурак.
    А что у копарей какая то своя электроника?
    Она для всех одинаковая.
    И я сам буду решать где мне писать.
     
  26. gvv2309

    gvv2309 Oberstleutnant

    Повідомлення:
    3.494
    Адреса:
    Київ
    Если вы автор схемы то выкладывайте,что бы мы об одном и том же говорили.
    Если вы используете не свою схему не страшно,вы просто монтажник,выкладывайте все равно,будем о ней говорить.