Часть кабины?

Тема у розділі 'Хлам', створена користувачем Provada81, 21 вер 2014.

  1. Provada81

    Provada81 Oberst

    Повідомлення:
    4.266
    Это нижняя часть кабины трактора или нет?
     

    Images:

    IMG_0573.JPG
    IMG_0575.JPG
    IMG_0576.JPG
    IMG_0578.JPG
    Bakay подобається це.
    1. Оновлена версія пінпоінтера GP Pointer виробництва SHRXY ІІ. Унікальна прошивка і плата пінпоінтера,...
      800 грн.
    2. Опис: Компактний портативний цілевказівник GP-Pointer – це зручний та корисний інструмент для пошуку...
      500 грн.
    3. Плата для самостоятельной сборки всем известного пинпоинтера Пинпоинтер малыш ФМ2 v2, малыш FM2 v2,....
      50 грн.
    4. Видео теста можно посмотреть здесь: https://www.youtube.com/watch?v=DddCDC-1mXE...... Чувствительно...
      750 грн.
    5. Плата для самостоятельной сборки всем известного пинпоинтера Пинпоинтер малыш ФМ2, малыш FM2. Компл...
      50 грн.
  2. Шукшин

    Шукшин Obergefreiter

    Повідомлення:
    169
    Да, по моему от Т-16.
     
  3. Provada81

    Provada81 Oberst

    Повідомлення:
    4.266
    А фотки пола или чертежа нет ?Заранее благодарен!!!
     
    Bakay подобається це.
  4. bigfoot

    bigfoot Oberstleutnant

    Повідомлення:
    3.266
    Адреса:
    Прикарпаття
    Не похоже...
    пол.jpg
     
  5. Provada81

    Provada81 Oberst

    Повідомлення:
    4.266
    Или полик не отсюда или на данном фото была реставрация трактора,что не факт.
     
  6. bigfoot

    bigfoot Oberstleutnant

    Повідомлення:
    3.266
    Адреса:
    Прикарпаття
    Реставрация разве подразумевает свободное перемещение органов управления по кабине?
     
  7. Provada81

    Provada81 Oberst

    Повідомлення:
    4.266
    Получается пол не отсюда?
     
  8. bigfoot

    bigfoot Oberstleutnant

    Повідомлення:
    3.266
    Адреса:
    Прикарпаття
    Выбирайте любой:).

    пол1.jpg пол2.jpg пол3.jpg пол4.jpg
     
    Горбунков SS подобається це.
  9. Provada81

    Provada81 Oberst

    Повідомлення:
    4.266
    Не,точно не отсюда.
     
  10. bigfoot

    bigfoot Oberstleutnant

    Повідомлення:
    3.266
    Адреса:
    Прикарпаття
    "Оно" больше похоже не на пол, а на переднюю стенку кабины. Но кабины чего - я не знаю...
     
  11. Provada81

    Provada81 Oberst

    Повідомлення:
    4.266
    Спасибо.Будем искать...
     
  12. Provada81

    Provada81 Oberst

    Повідомлення:
    4.266
    Присмотритесь внимательней,на фото 1 рифленый рисунок на листе явно говорит(100%)что это был пол. А насчет передней стенки(тут на листе толщина миллиметра 3)разве у тракторов такая толщина кабины была или есть?Она же тонкая ,щестянка одним словом.А если такими листами обшивать это больше на танк будет смахивать.
     
    Bakay подобається це.
  13. Шукшин

    Шукшин Obergefreiter

    Повідомлення:
    169
    Могу ошибаться, но у отца стаяло что-то подобное, и я отчетливо помню что "поликов" не было и пол был рифленый румбами.
     
  14. Provada81

    Provada81 Oberst

    Повідомлення:
    4.266
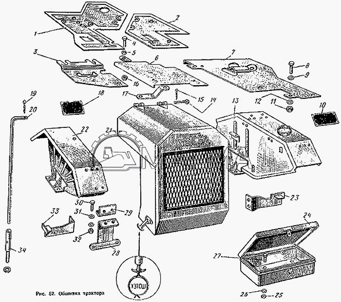
    Все-таки нашел обшивку пола кабины.Вообще не то.Смотрите сами.
     

    Images:

    052.gif
    Bakay подобається це.
  15. Provada81

    Provada81 Oberst

    Повідомлення:
    4.266
    Так откуда пол??? Неужели никто не знает.
     
    Bakay подобається це.
  16. Provada81

    Provada81 Oberst

    Повідомлення:
    4.266
    Кто подскажет?